Hide Table of Contents

Convert View to Sketch PropertyManager

You can convert a drawing view to sketch entities or a block of sketch entities using the Convert View to Sketch PropertyManager.

To open this PropertyManager:

In a drawing view, right-click and click Convert View to Sketch.

Display State

Replace view with sketch
Replaces the drawing view with the equivalent 2D sketch entities.
Original drawing view wn-original-drawing-view.png
Equivalent 2D sketch entities wn-original-drawing-view-block1.png
Replace view with block
Replaces the drawing view with the equivalent 2D sketch entities that are grouped in a block.
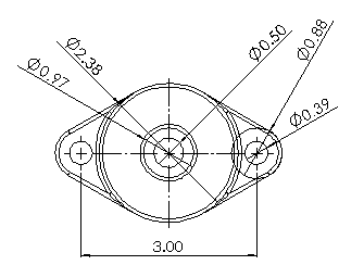
Original drawing view wn-original-drawing-view-dims.png
Block with equivalent 2D sketch entities
wn-original-drawing-view-dims-block2.png
Insert as a block
Creates a separate block comprised of equivalent 2D sketch entities that you can place anywhere in the drawing.
insert-as-block-final.png
In this example, the block on the right is added to the drawing view, rather than replacing the drawing view on the left.

Insertion Point

Available when you select either Replace view with block or Insert as a block.

Inserts a point manipulator and leader in the graphics area that you can drag independently to position the block.



Provide feedback on this topic

SOLIDWORKS welcomes your feedback concerning the presentation, accuracy, and thoroughness of the documentation. Use the form below to send your comments and suggestions about this topic directly to our documentation team. The documentation team cannot answer technical support questions. Click here for information about technical support.

* Required

 
*Email:  
Subject:   Feedback on Help Topics
Page:   Convert View to Sketch PropertyManager
*Comment:  
*   I acknowledge I have read and I hereby accept the privacy policy under which my Personal Data will be used by Dassault Systèmes

Print Topic

Select the scope of content to print:

x

We have detected you are using a browser version older than Internet Explorer 7. For optimized display, we suggest upgrading your browser to Internet Explorer 7 or newer.

 Never show this message again
x

Web Help Content Version: SOLIDWORKS 2016 SP05

To disable Web help from within SOLIDWORKS and use local help instead, click Help > Use SOLIDWORKS Web Help.

To report problems encountered with the Web help interface and search, contact your local support representative. To provide feedback on individual help topics, use the “Feedback on this topic” link on the individual topic page.