Masquer le sommaire

Message d'erreur - Aucun solution trouvée

Messages d'erreur possibles

  • L'esquisse n'a pas pu être mise à jour car sa résolution résulterait en une géométrie non valide (telle qu'une ligne de longueur nulle). Envisagez:
    • De supprimer la géométrie non valide.
    • De changer les relations ou les cotes pour éliminer la géométrie non valide.

Raisons possibles de ces messages d'erreur

Objets non valides

La géométrie d'esquisse ne peut pas déterminer la position d'une ou de plusieurs entités d'esquisse.

Objets impossibles à résoudre

La géométrie d'esquisse serait géométriquement non valide si l'esquisse était résolue.

Pour définir la couleur de ces objets, cliquez sur Outils > Options > Options du système > Couleurs . Pour définir la couleur de ces objets, cliquez sur Esquisse, Géométrie non valide dans Couleurs du système. Pour la couleur des esquisses impossible à résoudre, sélectionnez Etiquette, Non résolue. Cliquez sur Editer, sélectionnez une couleur, puis appuyez sur OK.
Exemple de géométrie non valide
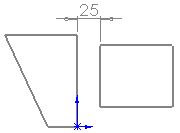
Esquisses d'origine avec cote valide

La cote référence une entité d'esquisse qui n'est pas valide pour elle. L'entité d'esquisse non valide est affichée en rouge.

La cote donne une esquisse non valide car elle crée une ligne de longueur nulle.

Solution possible 1:

Résoudre l'esquisse en faisant glisser les lignes de rappel de la cote jusqu'à une entité valide pour cette cote.

Solution possible 2:

Résoudre l'esquisse en donnant à la cote une valeur > 25 pour que la longueur de la ligne horizontale inférieure ne soit pas nulle.

Exemple de géométrie impossible à résoudre
Esquisse d'origine

La cote de 100 donne une esquisse impossible à résoudre, car sa valeur ne doit pas dépasser la somme des deux autres côtés du triangle. L'esquisse impossible à résoudre est affichée en jaune.

Solution possible:

Résoudre l'esquisse en donnant à la cote une valeur pouvant être résolue.

Méthodes de résolution possibles

  • Faites glisser la cote jusqu'à une entité valide.
  • Supprimez des cotes ou des relations.
  • Supprimez la géométrie non valide.
  • Editez les autres valeurs de cotes ou les autres géométries pour résoudre les conflits.


Faire un commentaire sur cette rubrique

Tous les commentaires concernant la présentation, l'exactitude et l'exhaustivité de la documentation sont les bienvenus. Utilisez le formulaire ci-dessous pour faire parvenir vos commentaires et suggestions directement à notre équipe de documentation. Celle-ci ne peut pas répondre aux questions de support technique. Cliquez ici pour des informations sur le support technique.

* Requis

 
*Courriel:  
Sujet:   Commentaires sur les rubriques d'aide
Page:   Message d'erreur - Aucun solution trouvée
*Commentaire:  
*   Je reconnais avoir pris connaissance et accepter par la présente la politique de confidentialité en vertu de laquelle mes données personnelles seront utilisées par Dassault Systèmes

Rubrique d'impression

Sélectionner l'étendue du contenu à imprimer :

x

La version du navigateur que vous utilisez est antérieure à Internet Explorer 7. Afin d'optimiser l'affichage, nous suggérons d'utiliser Internet Explorer 7 ou une version ultérieure.

 Ne plus afficher ce message
x

Version du contenu de l'aide sur le Web: SOLIDWORKS 2016 SP05

Pour désactiver l'aide sur le Web dans SOLIDWORKS et utiliser l'aide locale à la place, cliquez sur ? > Utiliser l'aide sur le Web de SOLIDWORKS.

Pour signaler tout problème rencontré avec l'interface ou la fonctionnalité de recherche de l'aide sur le Web, contactez votre support technique local. Pour faire part de vos commentaires sur des rubriques d'aide individuelles, utilisez le lien “Commentaires sur cette rubrique” sur la page de la rubrique concernée.