Expand IntroductionIntroduction
Expand AdministrationAdministration
Expand Interface utilisateurInterface utilisateur
Expand Fonctions de base de SOLIDWORKSFonctions de base de SOLIDWORKS
Expand Migrer de la 2D à la 3DMigrer de la 2D à la 3D
Expand AssemblagesAssemblages
Expand CircuitWorksCircuitWorks
Expand ConfigurationsConfigurations
Expand SOLIDWORKS CostingSOLIDWORKS Costing
Expand Design CheckerDesign Checker
Expand Etudes de conception dans SOLIDWORKSEtudes de conception dans SOLIDWORKS
Collapse Habillage et mises en planHabillage et mises en plan
Expand DFMXpressDFMXpress
Expand DriveWorksXpressDriveWorksXpress
Expand FloXpressFloXpress
Expand Echange de données SLDXMLEchange de données SLDXML
Expand Opérations d'import et d'exportOpérations d'import et d'export
Expand Affichage du modèleAffichage du modèle
Expand Conception de moulesConception de moules
Expand Etudes de mouvementEtudes de mouvement
Expand Pièces et fonctionsPièces et fonctions
Expand RoutageRoutage
Expand TôlerieTôlerie
Expand SimulationSimulation
Expand SimulationXpressSimulationXpress
Expand EsquisseEsquisse
Expand SOLIDWORKS MBD SOLIDWORKS MBD
Expand SOLIDWORKS UtilitiesSOLIDWORKS Utilities
Expand SOLIDWORKS SustainabilitySOLIDWORKS Sustainability
Expand TolérancementTolérancement
Expand TolAnalystTolAnalyst
Expand ToolboxToolbox
Expand Constructions soudéesConstructions soudées
Expand Workgroup PDMWorkgroup PDM
Expand DépannageDépannage
Glossaire
Masquer le sommaire

Mise en surbrillance des cotes modifiées

Lors de l'ouverture d'une mise en plan, si les cotes ont changé depuis le dernier enregistrement, les cotes modifiées sont mises en surbrillance. Pour voir les cotes modifiées, il faut d'abord enregistrer la pièce ou l'assemblage et la mise en plan dans SOLIDWORKS 2012 ou version ultérieure. Après avoir enregistré et fermé la mise en plan avec les cotes modifiées, la mise en surbrillance des cotes modifiées est réinitialisée.
prj-17319-before-changes.gif
Avant les modifications
prj-17319-after-changes.gif
Après les modifications
Avec la mise en surbrillance activée, les modifications suivantes sont mises en surbrillance dans les mises en plan:
  • Modifications de modèles pouvant provoquer le changement des valeurs numériques de base
  • Cotes importées dont le type ou la valeur de tolérance a changé dans le modèle
  • Cotes importées qui ont fait l'objet d'une modification dans Ajouter des parenthèses ou Cote de contrôle
  • Cotes importées qui ont fait l'objet d'une modification dans le Texte de cote (<DIM> par défaut)
Pour utiliser la fonctionnalité de mise en surbrillance, il faut d'abord enregistrer la pièce ou l'assemblage et les mises en plan associées dans SOLIDWORKS 2012 ou version ultérieure. Lorsque vous rouvrez la mise en plan, les modifications mises en surbrillance apparaissent. Lorsque vous survolez une cote modifiée avec le pointeur de la souris, une info-bulle affiche l'ancienne cote.

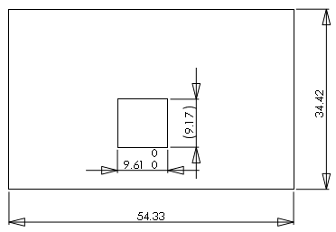
prj-17319-changed-dim.gif

Cotes modifiées

prj-17319-changed-tol.gif

Tolérance modifiée



Faire un commentaire sur cette rubrique

Tous les commentaires concernant la présentation, l'exactitude et l'exhaustivité de la documentation sont les bienvenus. Utilisez le formulaire ci-dessous pour faire parvenir vos commentaires et suggestions directement à notre équipe de documentation. Celle-ci ne peut pas répondre aux questions de support technique. Cliquez ici pour des informations sur le support technique.

* Requis

 
*Courriel:  
Sujet:   Commentaires sur les rubriques d'aide
Page:   Mise en surbrillance des cotes modifiées
*Commentaire:  
*   Je reconnais avoir pris connaissance et accepter par la présente la politique de confidentialité en vertu de laquelle mes données personnelles seront utilisées par Dassault Systèmes

Rubrique d'impression

Sélectionner l'étendue du contenu à imprimer :

x

La version du navigateur que vous utilisez est antérieure à Internet Explorer 7. Afin d'optimiser l'affichage, nous suggérons d'utiliser Internet Explorer 7 ou une version ultérieure.

 Ne plus afficher ce message
x

Version du contenu de l'aide sur le Web: SOLIDWORKS 2016 SP05

Pour désactiver l'aide sur le Web dans SOLIDWORKS et utiliser l'aide locale à la place, cliquez sur ? > Utiliser l'aide sur le Web de SOLIDWORKS.

Pour signaler tout problème rencontré avec l'interface ou la fonctionnalité de recherche de l'aide sur le Web, contactez votre support technique local. Pour faire part de vos commentaires sur des rubriques d'aide individuelles, utilisez le lien “Commentaires sur cette rubrique” sur la page de la rubrique concernée.