Inhaltsverzeichnis ausblenden

Fehlermeldung - Keine Lösung gefunden

Mögliche Fehlermeldungen

  • Die Skizze wurde nicht aktualisiert, da das Lösen der Skizze zu ungültiger Geometrie (wie Linienlänge Null) führen würde. Wählen Sie eine der folgenden Vorgehensweisen:
    • Löschen der ungültigen Geometrie.
    • Änderung der Beziehungen oder Bemaßungen, um die ungültige Geometrie zu eliminieren.

Mögliche Gründe für diese Fehlermeldungen

Ungültige Elemente

Die Skizzengeometrie kann nicht die Position von einem oder mehreren Skizzenelementen bestimmen.

Unlösbare Elemente

Die Skizzengeometrie wäre im geometrischen Sinne ungültig, wenn die Skizze gelöst wäre.

Um die Farbe für diese Elemente festzulegen, klicken Sie auf Extras > Optionen > Systemoptionen > Farben . Wählen Sie für die Farbe ungültiger Skizzen die Optionen Skizze, Ungültige Geometrie unter Systemfarben. Wählen Sie für die Farbe unlösbarer Skizzen die Optionen Skizze, Nicht gelöst. Klicken Sie auf Bearbeiten, wählen Sie eine Farbe aus, und klicken Sie auf OK.
Beispiel für ungültige Geometrie
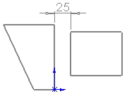
Ursprüngliche Skizzen mit gültiger Bemaßung

Die Bemaßung referenziert ein Skizzenelement, das für diese Bemaßung nicht gültig ist. Das ungültige Skizzenelement wird in Rot angezeigt.

Mit der Bemaßung wird eine ungültige Skizze erstellt, weil eine Linie mit der Länge 0 erstellt wird.

Mögliche Lösung 1:

Die Skizze wird gelöst, indem die Maßhilfslinie zu einem gültigen Element für diese Bemaßung gezogen wird.

Mögliche Lösung 2:

Die Skizze wird gelöst, indem die untere Bemaßung auf einen Wert > 25 geändert wird, so dass die untere horizontale Linie nicht mehr die Länge 0 hat.

Beispiel für unlösbare Geometrie
Ursprüngliche Skizze

Mit der Bemaßung 100 wird eine unlösbare Skizze erstellt, weil diese Bemaßung die Summe der zwei anderen Dreiecksseiten nicht übersteigen kann. Die unlösbare Skizze ist in Gelb angezeigt.

Mögliche Lösung:

Die Skizze wird gelöst, indem die Bemaßung auf einen lösbaren Wert geändert wird.

Mögliche Lösungen

  • Ziehen Sie, um die Bemaßung an einem gültigen Element neu zu positionieren.
  • Löschen Sie Bemaßungen oder Beziehungen.
  • Löschen Sie ungültige Geometrie.
  • Bearbeiten Sie andere Bemaßungswerte oder Geometrie, so dass kein Konflikt mehr besteht.


Feedback zu diesem Thema geben

SOLIDWORKS ist dankbar für Ihr Feedback zur Präsentation, Genauigkeit und Vollständigkeit der Dokumentation. Verwenden Sie das nachstehende Formular, um Ihre Kommentare und Vorschläge zu diesem Thema direkt an unser Dokumentations-Team zu senden. Das Dokumentations-Team kann keine Fragen für den technischen Support beantworten. Klicken Sie hier für Informationen zum technischen Support.

* Erforderlich

 
*E-Mail:  
Betreff:   Feedback zu Hilfethemen
Seite:   Fehlermeldung - Keine Lösung gefunden
*Kommentar:  
*   Ich bestätige, dass ich die Datenschutzerklärung, unter der meine personenbezogenen Daten durch Dassault Systèmes verarbeitet werden, gelesen habe und akzeptiere.

Thema drucken

Wählen Sie aus, was gedruckt werden soll:

x

Sie verwenden einen Browser, der älter als Internet Explorer 7 ist. Für eine optimierte Anzeige sollten Sie Ihren Browser auf Internet Explorer 7 oder höher aktualisieren.

 Diese Meldung nicht mehr anzeigen
x

Web-Hilfe Inhaltsversion: SOLIDWORKS 2016 SP05

Um die Web-Hilfe in SOLIDWORKS zu deaktivieren und stattdessen die lokale Hilfe zu verwenden, klicken Sie auf Help > SOLIDWORKS Web-Hilfe verwenden.

Um Probleme mit der Oberfläche und der Suche der Web-Hilfe zu melden, wenden Sie sich an Ihren Support vor Ort. Um Feedback zu einzelnen Hilfethemen zu geben, verwenden Sie den Link “Feedback zu diesem Thema” auf der entsprechenden Themenseite.