目次を表示しない

ビューをスケッチに変換(Convert View to Sketch)PropertyManager

ビューをスケッチに変換(Convert View to Sketch) PropertyManager を使用すると、図面ビューをスケッチ エンティティまたはスケッチ エンティティのブロックに変換できます。

この PropertyManager を開くには:

図面ビューで、右クリックして ビューをスケッチに変換(Convert View to Sketch) をクリックします。

表示状態(Display State)

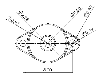
ビューをスケッチで置換
図面ビューを同等の 2D スケッチ エンティティで置換します。
オリジナルの図面ビュー wn-original-drawing-view.png
同等の 2D スケッチ エンティティ wn-original-drawing-view-block1.png
ビューをブロックで置換
図面ビューをブロックでグループ化されている同等の 2D スケッチ エンティティで置換します。
オリジナルの図面ビュー wn-original-drawing-view-dims.png
同等の 2D スケッチ エンティティでブロック化
wn-original-drawing-view-dims-block2.png
ブロックとして挿入(Insert as a block)
同等の 2D スケッチ エンティティで構成される別のブロックを作成します。このブロックは図面の任意の場所に配置できます。
insert-as-block-final.png
この例では、左側の図面ビューを置換するのではなく、右側のブロックが図面ビューに追加されます。

挿入点(Insertion Point)

ビューをブロックで置換 または ブロックとして挿入(Insert as a block) を選択すると使用できます。

独立してドラッグしてブロックを配置できるポイント マニピュレータと引出線をグラフィックス領域に挿入します。



トピックについてフィードバックを送信

ヘルプに関してフィードバックを送信することができます。しかし、ドキュメンテーション グループはテクニカル サポートに関する質問に答えることはできません。 テクニカル サポートに関する情報はここをクリックしてください

* 必要項目

 
*電子メール:  
件名:   トピックのフィードバック
ページ:   ビューをスケッチに変換(Convert View to Sketch)PropertyManager
*コメント:  
*   プライバシー ポリシーを読み、個人情報が Dassault Systèmes によって使用されることに同意します。

トピックの印刷

印刷するコンテンツの範囲を選択:

x

Internet Explorer 7 より古いブラウザ バージョンが検知されました。 表示を最適化するにはInternet Explorer 7 以上のブラウザ バージョンにアップグレードしてください。

 今後このメッセージを表示しない
x

Web ヘルプ コンテンツ バージョン: SOLIDWORKS 2016 SP05

SOLIDWORKS で Web ヘルプを無効にして、ローカル ヘルプを使用するには、ヘルプ > SOLIDWORKS Web ヘルプ使用 をクリックしてください。

Web ヘルプのインタフェースや検索機能に関する問題は、お客様のサポート担当者までご連絡ください。各トピック ページの「トピックについてフィードバックする」リンクを使用し、各ヘルプ トピックについてフィードバックを送信することもできます。