目次を表示しない

図面の寸法(Dimensions in Drawings)

一般的に部品を設計する際、寸法を指定し、次に寸法をモデルから図面に挿入します。 一つのドキュメントの寸法を変更すると、関連するドキュメントの寸法も変更されます。

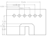
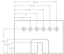
自動寸法配列 ツールは、寸法をすばやく、簡単に決定します。

適用前 適用後
SOLIDWORKS のインストレーション中に、図面の寸法が部品やアセンブリ モデルに影響しないように変更を防ぐように設定できます。

マグネット ラインは、バルーンの整列に使用します。 画面ビューのすべての穴、フィレット、スロットに、中心マークを自動的に挿入できます。

SOLIDWORKS では寸法のフォーマットは、デフォルトでは、 ツール > オプション > ドキュメント プロパティ > 設計規格 のドキュメントで設定した標準が適用されます。 ツール > オプション > ドキュメント プロパティ > 寸法 にリストされた各寸法タイプにより、ドキュメント、またはテンプレートのデフォルトを変更できます。 2D CAD ソフトウェアと SOLIDWORKS ソフトウェアは共にスタイル を特定のフォーマットを保存するために使用します。

2D CAD システム では、寸法の種類は一つのみであり、これは SOLIDWORKS の 参照寸法に値します。 参照寸法は変更できず、モデルのジオメトリを変更することはありません。 但し、モデルが変更すると参照寸法は自動的に更新されます。 モデル寸法は、寸法名を使用してモデルにパラメトリックにリンクされており、(図面やモデル ドキュメントで)変更すると、モデルが変更されます。

部品ドキュメントやアセンブリ ドキュメントで寸法を挿入する場合、通常、図面用に指定(図面用に指定しない場合を除き)されています。 モデル アイテム を使用して、新しい図面ビューに対して自動的に、または 自動寸法 を使用して、モデル寸法を挿入する場合、図面用に指定した寸法のみ挿入されます。 When you insert an アノテート アイテム ビュー(annotation view)を図面に挿入する場合、すべての部品、アセンブリのアノテートアイテムは図面に挿入されます。

寸法は、モデル スケッチのジオメトリを定義します。
モデル寸法は、挿入 > モデル アイテム により図面に転送されます。

基準線寸法、累進寸法、面取り寸法や穴寸法テキストは、図面で使用できます。 累進寸法はスケッチでも使用できます。

基準線寸法 (Baseline dimensions)
累進寸法(Ordinate dimensions)
面取り寸法
穴寸法テキスト(Hole callout)


トピックについてフィードバックを送信

ヘルプに関してフィードバックを送信することができます。しかし、ドキュメンテーション グループはテクニカル サポートに関する質問に答えることはできません。 テクニカル サポートに関する情報はここをクリックしてください

* 必要項目

 
*電子メール:  
件名:   トピックのフィードバック
ページ:   図面の寸法(Dimensions in Drawings)
*コメント:  
*   プライバシー ポリシーを読み、個人情報が Dassault Systèmes によって使用されることに同意します。

トピックの印刷

印刷するコンテンツの範囲を選択:

x

Internet Explorer 7 より古いブラウザ バージョンが検知されました。 表示を最適化するにはInternet Explorer 7 以上のブラウザ バージョンにアップグレードしてください。

 今後このメッセージを表示しない
x

Web ヘルプ コンテンツ バージョン: SOLIDWORKS 2017 SP05

SOLIDWORKS で Web ヘルプを無効にして、ローカル ヘルプを使用するには、ヘルプ > SOLIDWORKS Web ヘルプ使用 をクリックしてください。

Web ヘルプのインタフェースや検索機能に関する問題は、お客様のサポート担当者までご連絡ください。各トピック ページの「トピックについてフィードバックする」リンクを使用し、各ヘルプ トピックについてフィードバックを送信することもできます。