İçindekiler'i Gizle

Hata Mesajı - Çözüm Bulunamadı

Olası Hata Mesajları

  • Çizim güncellenmemiş, çünkü çözümlenmesi, geçersiz geometriyle (sıfır uzunlukta bir çizgi gibi) sonuçlanır. Aşağıdakileri yapmayı düşünün:
    • Geçersiz geometriyi silmek.
    • Geçersiz geometriyi ortadan kaldırmak için ilişkileri ve ölçümlendirmeleri değiştirmek.

Bu Hata Mesajları İçin Olası Nedenler

Geçersiz öğeler

Çizim geometrisi, bir veya daha fazla çizim objesinin konumunu belirleyemiyor.

Çözümlenemeyen öğeler

Çizim geometrisi, çizim çözümlenecek olsa geometrik olarak geçersiz olur.

Bu öğelerin rengini ayarlamak için Araçlar > Seçenekler > Sistem Seçenekleri > Renkler 'i tıklayın. Geçersiz çizim rengi için Sistem Renkleri'nde Çizim, Geçersiz Geometri'yi seçin. Çözümlenemeyen çizim rengi için Çizim, Çözümlenmemiş'i seçin. Düzenle'yi tıklayın, bir renk seçin, ardından Tamam'ı tıklayın.
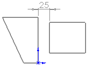
Geçersiz Geometri Örneği
Geçerli ölçümlü orijinal çizimler

Ölçümlendirme, bu ölçümlendirme için geçerli olmayan bir çizim objesine referans veriyor. Geçersiz çizim öğesi kırmızı renkte gösterilir.

Ölçümlendirme, sıfır uzunlukta bir çizgi oluşturduğu için geçersiz bir çizim oluşturur.

Olası Çözüm 1:

Çizim, bu ölçümlendirme için geçerli olan bir objeye ölçülendirme tanık çizgisi sürüklenerek çözümlenir.

Olası Çözüm 2:

Çizim, alt ölçümlendirme > 25 bir değere değiştirilip, alt yatay çizgi sıfır olmayan uzunlukta yapılarak çözümlenir.

Çözümlenemeyen Geometri Örneği
Orijinal çizim

100 ölçümlendirmesi, çözümlenemeyen bir çizim oluşturur; çünkü bu ölçümlendirmenin, diğer iki üçgen kenarının toplamını geçmesi olanaksızdır. Çözümlenemeyen çizim sarı ile gösterilir.

Olası Çözüm:

Çizim, ölçümlendirme çözümlenebilir bir ölçümlendirme değerine değiştirilerek çözümlenir.

Olası Çözümler

  • Ölçümlendirmeyi geçerli bir objeye yeniden konumlandırmak için sürükleyin.
  • Ölçümlendirmeleri veya ilişkileri silin.
  • Geçersiz geometriyi silin.
  • Diğer ölçümlendirme değerlerini veya geometriyi çatışma kalmayacak şekilde düzenleyin.


Bu başlık hakkında geribildirimde bulunun

SOLIDWORKS; dokümantasyonun sunumu, doğruluğu ve bütünlüğü hakkında geribildiriminizi almaktan memnuniyet duyar. Bu başlık ile ilgili yorum ve önerilerinizi, aşağıdaki formu kullanarak doğrudan dokümantasyon takımımıza yollayın. Dokümantasyon takımı teknik destek sorularına yanıt veremez. Teknik destek ile ilgili bilgiler için buraya tıklayın.

* Gerekli

 
*Email:  
Konu:   Yardım Başlıkları Hakkında Geribildirim
Sayfa:   Hata Mesajı - Çözüm Bulunamadı
*Yorum:  
*   Kişisel Bilgilerimin Dassault Systèmes tarafından kullanılacağının belirtildiği gizlilik politikasını okuduğumu ve kabul ettiğimi onaylıyorum

Yazdırma Başlığı

Yazdırılacak içeriğin kapsamını seçin:

x

Internet Explorer 7'den daha eski bir tarayıcı sürümünü kullandığınızı tespit ettik. Optimize edilmiş görünüm için tarayıcınızı Internet Explorer 7 veya daha yenisine yükseltmenizi öneririz.

 Bu mesajı bir daha asla gösterme
x

Web Yardım İçerik Sürümü: SOLIDWORKS 2017 SP05

SOLIDWORKS içindeki Web yardımını devre dışı bırakmak ve onun yerine yerel yardımı kullanmak için Yardım > SOLIDWORKS Web Yardımını Kullan öğelerine tıklayın.

Web yardımı arabirimi ve araması ile ilgili karşılaştığınız sorunları lütfen yerel destek temsilcinize bildirin. Yardım başlıkları hakkında ayrı ayrı geri bildirimde bulunmak için ilgili başlığın sayfasından "Bu başlık hakkında geribildirim" bağlantısına tıklayın.