隐藏目录

错误信息 - 无法找到解

可能的错误信息

  • 此草图尚未更新,因为解出此草图将可能生成无效的几何体(例如长度为零的直线),可考虑:
    • 删除无效的几何体。
    • 改变几何关系或尺寸来消除无效的几何体。

造成这些错误信息的可能原因

无效项

草图几何体无法决定一个或多个草图实体的位置。

无解项

如果草图解出,则草图几何体将是无效的。

欲设定这些项的颜色,单击 工具 > 选项 > 系统选项 > 颜色 。对于无效的草图颜色,在系统颜色中选择草图、无效的几何体。对于无解的草图颜色,选择草图、未解出。单击编辑选择一个颜色,然后单击确定
无效的几何体范例
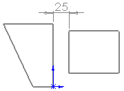
尺寸有效的原有草图

尺寸参考了对于此尺寸无效的草图实体。无效草图项目显示为红色。

此尺寸生成了一个无效草图,因为它生成了长度为零的直线。

可能的解决方法 1:

将尺寸界线拖动到对于此尺寸有效的实体,解出草图。

可能的解决方法 2:

将底部尺寸的值更改为 > 25,使底部水平线的长度不为零,解出草图。

无解几何体范例
原有草图

如果尺寸为 100,则将会生成无解草图,因为此尺寸不可能超出另外两个三角边的总和。无解草图显示为黄色。

可能的解决方法:

将此尺寸更改为有解尺寸值,解出草图。

可能的修正措施

  • 拖动尺寸,将其重新定位到有效实体。
  • 删除尺寸或几何关系。
  • 删除无效的几何体。
  • 编辑其它尺寸值或几何体,消除冲突。


提供对该主题的反馈

SOLIDWORKS 欢迎您对此文档的外观、准确性及完整性提供反馈。请使用以下表格,将您对该主题的评论和建议直接发送给我们的文档团队。文档团队不能回答技术支持问题。单击此处获取有关技术支持的信息

* 必填

 
*电子邮件:  
主题:   对帮助主题的反馈
页面:   错误信息 - 无法找到解
*评论:  
*   本人确认已阅读并且接受 Dassault Systèmes 按照《隐私政策》使用本人的个人数据

打印主题

选择要打印的内容范围:

x

我们检测到您在使用旧于 Internet Explorer 7 的浏览器版本。为优化显示,我们建议您将您的浏览器升级到 Internet Explorer 7 或以上。

 永不再显示此信息
x

Web 帮助内容版本:SOLIDWORKS 2017 SP05

要从 SOLIDWORKS 中禁用 Web 帮助并使用本地帮助,请单击帮助 > 使用 SOLIDWORKS Web 帮助

要报告在 Web 帮助界面和搜索中所遇到的问题,请联系您的当地支持代表。要提供单个帮助主题的反馈,请使用单个主题页面上的“对该主题的反馈”链接。