Puede utilizar la herramienta Acotar automáticamente para insertar cotas de referencia en vistas de dibujo como cotas de línea de base, cadena y coordenada. La herramienta Acotar automáticamente funciona de forma similar en croquis.
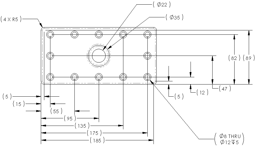
A continuación, se muestra un esquema de acotación de línea base:
