Ocultar tabla de contenido

Tablas de diseño en dibujos

Si un documento de modelo utiliza una tabla de diseño para generar múltiples configuraciones, puede visualizar la tabla en un dibujo de dicho modelo. De esta manera, un único dibujo puede representar todas las configuraciones.

Puede etiquetar las cotas con letras o nombres cortos descriptivos en vez de utilizar los nombres de cota completos y los valores. Por ejemplo, en vez de D1@Base-Extruir, puede utilizar una etiqueta como A o espesor como el encabezado de la columna de la tabla y visualizar la etiqueta en vez del valor de la cota de la vista de dibujo.

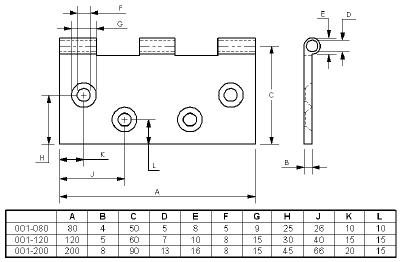
La ilustración siguiente es un ejemplo de cómo aparecerán una tabla de diseño y las cotas que controla en un dibujo.



Proporcione comentarios sobre este tema

SOLIDWORKS agradece sus comentarios acerca del formato, la precisión y la rigurosidad de la documentación. Utilice el siguiente formulario para enviar comentarios y sugerencias sobre este tema directamente al equipo de documentación. Nota: el equipo de documentación no puede responder a preguntas técnicas. Haga clic aquí para ver información sobre soporte técnico.

* Obligatorio

 
*Correo electrónico:  
Asunto:   Comentarios sobre los temas de la ayuda
Página:   Tablas de diseño en dibujos
*Comentario:  
*   Por la presente confirmo que he leído y acepto la política de privacidad en virtud de la cual Dassault Systèmes usará mis Datos personales

Imprimir tema

Seleccione el ámbito del contenido que desee imprimir:

x

Hemos detectado que la versión de su explorador es anterior a Internet Explorer 7. Para una visualización óptima, le recomendamos que actualice a Internet Explorer 7 o versión superior.

 No volver a mostrar este mensaje
x

Versión del contenido de la ayuda web: SOLIDWORKS 2017 SP05

Para desactivar la ayuda web desde SOLIDWORKS y utilizar la ayuda local en su lugar, haga clic en Ayuda > Usar la ayuda web de SOLIDWORKS.

Para informar sobre problemas detectados con la interfaz y la función de búsqueda de la ayuda web, póngase en contacto con el representante local de soporte. Si desea proporcionar comentarios sobre temas individuales, utilice el vínculo “Comentarios sobre este tema” en la página del tema en cuestión.