Expand IntroducciónIntroducción
Expand AdministraciónAdministración
Expand Interfaz de usuarioInterfaz de usuario
Expand Conceptos básicos de SOLIDWORKSConceptos básicos de SOLIDWORKS
Expand Migrar de 2D a 3DMigrar de 2D a 3D
Expand EnsamblajesEnsamblajes
Expand CircuitWorksCircuitWorks
Expand ConfiguracionesConfiguraciones
Expand SOLIDWORKS CostingSOLIDWORKS Costing
Expand Design CheckerDesign Checker
Expand Estudios de diseño en SOLIDWORKSEstudios de diseño en SOLIDWORKS
Collapse Dibujos y documentaciónDibujos y documentación
Perspectiva general de documentación
Configurar opciones de documentación
Elementos del modelo
PropertyManager Elementos del modelo
Marcas eDrawings
Expand EstiloEstilo
Agregar o actualizar un estilo
Expand AnotacionesAnotaciones
Expand TablasTablas
Expand Lista de materiales (LDM)Lista de materiales (LDM)
Expand Estándares de dibujoEstándares de dibujo
Configuración de impresión
Collapse DibujosDibujos
Expand DFMXpressDFMXpress
Expand DriveWorksXpressDriveWorksXpress
Expand FloXpressFloXpress
Expand Intercambio de datos SLDXMLIntercambio de datos SLDXML
Expand Importación y exportaciónImportación y exportación
Expand Visualización de modeloVisualización de modelo
Expand Diseño de moldesDiseño de moldes
Expand Estudios de movimientoEstudios de movimiento
Expand Piezas y operacionesPiezas y operaciones
Expand RoutingRouting
Expand Chapa metálicaChapa metálica
Expand SimulationSimulation
Expand SimulationXpressSimulationXpress
Expand CroquizadoCroquizado
Expand SOLIDWORKS MBDSOLIDWORKS MBD
Expand SOLIDWORKS UtilitiesSOLIDWORKS Utilities
Expand SOLIDWORKS SustainabilitySOLIDWORKS Sustainability
Expand ToleranciasTolerancias
Expand TolAnalystTolAnalyst
Expand ToolboxToolbox
Expand Piezas soldadasPiezas soldadas
Expand Workgroup PDMWorkgroup PDM
Expand Solución de problemasSolución de problemas
Glosario
Ocultar tabla de contenido

Cota rápida

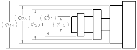
Puede utilizar el selector de cotas rápidas para colocar cotas, de modo que estas tengan separaciones uniformes y sean fáciles de leer.

Este selector de cotas rápidas aparece al insertar cotas en vistas de dibujo. Utilice el manipulador para colocar cotas en intervalos con separaciones uniformes. Por ejemplo, si inserta una cota entre dos cotas, la nueva cota es equidistante a ellas.

Utilice el selector de cotas rápidas para colocar cotas rápidamente.

Puede controlar la separación utilizada por la cota rápida en Herramientas > Opciones > Propiedades de documento > Cotas , en Equidistancias.

Cuando el selector de cotas rápidas crea cotas en una línea constructiva simétrica, las cotas que pudieran superponerse se alternan para dibujos en el estándar ANSI.

Para desactivar el selector de cotas rápidas, en el PropertyManager Cota, en Herramientas de asistencia con cotas, desactive Acotación rápida. Esta configuración se mantiene en todas las sesiones.

Para desactivar el selector de cotas rápidas cuando está activado, presione la tecla Esc. Si vuelve a presionar Esc, se cierra la herramienta Cota inteligente.

Utilización del selector de cotas rápidas

Puede utilizar el selector de cotas rápidas para colocar cotas, de modo que estas tengan separaciones uniformes y sean fáciles de leer.

  1. En un dibujo, haga clic en Cota inteligente (barra de herramientas Cotas/Relaciones) o en Herramientas > Cotas > Inteligentes .
  2. Seleccione las entidades para acotar.
    De acuerdo con el tipo de cota que desee colocar, el selector se muestra como: o .
  3. Haga clic en una sección del manipulador. También puede utilizar:
    • La tecla Tab para cambiar a las diferentes ubicaciones del manipulador.
    • La barra espaciadora para colocar la cota en una ubicación adecuada fuera de la geometría del modelo.
    La cota se coloca cerca de la entidad seleccionada. Si es necesario, se mueven las entidades existentes para dejar espacio a las nuevas.

Para desactivar el selector de cotas rápidas, en el PropertyManager Cota, en Herramientas de asistencia con cotas, desactive Acotación rápida. Esta configuración se mantiene en todas las sesiones.

Para desactivar el selector de cotas rápidas cuando está activado, presione la tecla Esc. Si vuelve a presionar Esc, se cierra la herramienta Cota inteligente.


Proporcione comentarios sobre este tema

SOLIDWORKS agradece sus comentarios acerca del formato, la precisión y la rigurosidad de la documentación. Utilice el siguiente formulario para enviar comentarios y sugerencias sobre este tema directamente al equipo de documentación. Nota: el equipo de documentación no puede responder a preguntas técnicas. Haga clic aquí para ver información sobre soporte técnico.

* Obligatorio

 
*Correo electrónico:  
Asunto:   Comentarios sobre los temas de la ayuda
Página:   Cota rápida
*Comentario:  
*   Por la presente confirmo que he leído y acepto la política de privacidad en virtud de la cual Dassault Systèmes usará mis Datos personales

Imprimir tema

Seleccione el ámbito del contenido que desee imprimir:

x

Hemos detectado que la versión de su explorador es anterior a Internet Explorer 7. Para una visualización óptima, le recomendamos que actualice a Internet Explorer 7 o versión superior.

 No volver a mostrar este mensaje
x

Versión del contenido de la ayuda web: SOLIDWORKS 2017 SP05

Para desactivar la ayuda web desde SOLIDWORKS y utilizar la ayuda local en su lugar, haga clic en Ayuda > Usar la ayuda web de SOLIDWORKS.

Para informar sobre problemas detectados con la interfaz y la función de búsqueda de la ayuda web, póngase en contacto con el representante local de soporte. Si desea proporcionar comentarios sobre temas individuales, utilice el vínculo “Comentarios sobre este tema” en la página del tema en cuestión.