Dimensão rápida

Você pode usar o seletor de dimensão rápida para colocar dimensões, de forma que elas sejam espaçadas uniformemente e mais fáceis de ler.

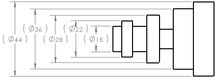
O seletor de dimensão rápida aparece quando você insere dimensões em vistas de desenho. Use o manipulator para colocar dimensões em intervalos uniformemente espaçados. Por exemplo, se você inserir uma dimensão entre duas dimensões, a nova dimensão será espaçada uniformemente entre elas.

Use o seletor Dimensão rápida para inserir dimensões rapidamente.

Você pode controlar o espaçamento usado por dimensão rápida em Ferramentas > Opções > Propriedades do documento > Dimensões em Distâncias de offset.

Quando o seletor de dimensão rápida cria dimensões em uma linha de centro simétrica, as dimensões que podem se sobrepor são posicionadas em zigue-zague para desenhos no padrão ANSI.

Para desativar o seletor de dimensão rápida, no PropertyManager de Dimensão, em Ferramentas de assistência para dimensões, desmarque Dimensionamento rápido. Essa configuração persiste entre sessões.

Quando o seletor de dimensão rápida está ativado, você pode fechá-lo pressionando ESC. Pressionar ESC novamente fecha a ferramenta Dimensão inteligente.

Uso do seletor Dimensão rápida

Você pode usar o seletor de dimensão rápida para colocar dimensões, de forma que elas sejam espaçadas uniformemente e mais fáceis de ler.

  1. Dimensão inteligenteDimensão inteligente (barra de ferramentas Dimensões/Relações) ou em Ferramentas > Dimensões > Inteligente .
  2. Selecione as entidades para a dimensão.
    Dependendo do tipo de dimensão que pode ser inserido, o seletor aparece como: ou .
  3. Clique em uma parte do manipulador. Você pode também usar a:
    • Tecla Tab para mudar para os vários locais do manipulador
    • barra de espaços para colocar a dimensão em um local apropriado fora da geometria do modelo
    A dimensão é colocada próxima à entidade selecionada. Se necessário, as dimensões existentes são movidas para abrir espaço para a nova dimensão.

Para desativar o seletor de dimensão rápida, no PropertyManager de Dimensão, em Ferramentas de assistência para dimensões, desmarque Dimensionamento rápido. Essa configuração persiste entre sessões.

Quando o seletor de dimensão rápida está ativado, você pode fechá-lo pressionando ESC. Pressionar ESC novamente fecha a ferramenta Dimensão inteligente.