Message d'erreur - Aucun solution trouvée

Messages d'erreur possibles

  • L'esquisse n'a pas pu être mise à jour car sa résolution résulterait en une géométrie non valide (telle qu'une ligne de longueur nulle). Envisagez:
    • De supprimer la géométrie non valide.
    • De changer les relations ou les cotes pour éliminer la géométrie non valide.

Raisons possibles de ces messages d'erreur

Objets non valides

La géométrie d'esquisse ne peut pas déterminer la position d'une ou de plusieurs entités d'esquisse.

Objets impossibles à résoudre

La géométrie d'esquisse serait géométriquement non valide si l'esquisse était résolue.

Pour définir la couleur de ces objets, cliquez sur Outils > Options > Options du système > Couleurs . Pour définir la couleur de ces objets, cliquez sur Esquisse, Géométrie non valide dans Couleurs du système. Pour la couleur des esquisses impossible à résoudre, sélectionnez Etiquette, Non résolue. Cliquez sur Editer, sélectionnez une couleur, puis appuyez sur OK.
Exemple de géométrie non valide
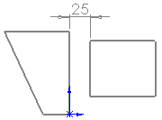
Esquisses d'origine avec cote valide

La cote référence une entité d'esquisse qui n'est pas valide pour elle. L'entité d'esquisse non valide est affichée en rouge.

La cote donne une esquisse non valide car elle crée une ligne de longueur nulle.

Solution possible 1:

Résoudre l'esquisse en faisant glisser les lignes de rappel de la cote jusqu'à une entité valide pour cette cote.

Solution possible 2:

Résoudre l'esquisse en donnant à la cote une valeur > 25 pour que la longueur de la ligne horizontale inférieure ne soit pas nulle.

Exemple de géométrie impossible à résoudre
Esquisse d'origine

La cote de 100 donne une esquisse impossible à résoudre, car sa valeur ne doit pas dépasser la somme des deux autres côtés du triangle. L'esquisse impossible à résoudre est affichée en jaune.

Solution possible:

Résoudre l'esquisse en donnant à la cote une valeur pouvant être résolue.

Méthodes de résolution possibles

  • Faites glisser la cote jusqu'à une entité valide.
  • Supprimez des cotes ou des relations.
  • Supprimez la géométrie non valide.
  • Editez les autres valeurs de cotes ou les autres géométries pour résoudre les conflits.