오류 메시지 - 해결책 없음

표시되는 오류 메시지

  • 스케치에 길이가 0인 선분이 있다거나 부적절한 지오메트리가 있어 스케치가 업데이트되지 않았습니다. 오류 고치기:
    • 잘못된 지오메트리를 삭제합니다.
    • 구속 조건이나 치수를 변경하여 잘못된 지오메트리를 수정합니다.

오류 메시지의 원인

잘못된 항목

스케치에서 한 개 이상의 요소 위치가 미정인 상태입니다.

미해결 항목

스케치가 해결되면 부적절한 형상을 초래하는 상태입니다.

이러한 항목의 색을 설정하려면 도구 > 옵션 > 시스템 옵션 > 을 클릭합니다. 부적절한 스케치 색을 지정하려면, 시스템 색에서 스케치, 잘못된 지오메트리를 선택합니다. 미해결 스케치의 색을 지정하려면, 스케치, 미해결을 선택합니다. 편집을 클릭하고 색상을 선택한 다음 확인을 클릭합니다.
잘못된 지오메트리의 예
올바른 치수를 가진 원래 스케치

잘못된 스케치 요소를 참조하는 치수. 잘못된 스케치 항목은 빨간색으로 표시됩니다.

길이가 0인 선분이 있어 잘못된 스케치를 초래합니다.

해결책 1:

치수 보조선을 끌어 타당한 스케치 요소에 두면 스케치가 해결됩니다.

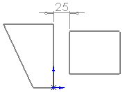
해결책 2:

바닥선 치수를 25보다 큰 수로 변경해주면 스케치가 해결됩니다.

미해결 지오메트리의 예
원래의 스케치

치수 100이 삼각형의 다른 두 변의 합보다 더 크므로 스케치가 미해결 상태가 됩니다. 미해결 스케치는 노란색으로 표시됩니다.

해결책:

치수를 변경하면 스케치가 해결됩니다.

오류 고치기

  • 치수를 끌어 위치를 변경합니다.
  • 치수나 구속조건을 삭제합니다.
  • 잘못된 지오메트리를 삭제합니다.
  • 다른 치수나 지오메트리를 수정합니다.