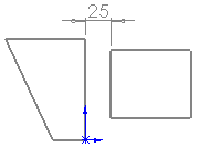
Hata Mesajı - Çözüm Bulunamadı Olası Hata Mesajları Çizim güncellenmemiş, çünkü çözümlenmesi, geçersiz geometriyle (sıfır uzunlukta bir çizgi gibi) sonuçlanır. Aşağıdakileri yapmayı düşünün:Geçersiz geometriyi silmek. Geçersiz geometriyi ortadan kaldırmak için ilişkileri ve ölçümlendirmeleri değiştirmek. Bu Hata Mesajları İçin Olası Nedenler Geçersiz öğeler Çizim geometrisi, bir veya daha fazla çizim objesinin konumunu belirleyemiyor. Çözümlenemeyen öğeler Çizim geometrisi, çizim çözümlenecek olsa geometrik olarak geçersiz olur. Bu öğelerin rengini ayarlamak için Araçlar > Seçenekler > Sistem Seçenekleri > Renkler 'i tıklayın. Geçersiz çizim rengi için Sistem Renkleri'nde Çizim, Geçersiz Geometri'yi seçin. Çözümlenemeyen çizim rengi için Çizim, Çözümlenmemiş'i seçin. Düzenle'yi tıklayın, bir renk seçin, ardından Tamam'ı tıklayın. Geçersiz Geometri Örneği Geçerli ölçümlü orijinal çizimler Ölçümlendirme, bu ölçümlendirme için geçerli olmayan bir çizim objesine referans veriyor. Geçersiz çizim öğesi kırmızı renkte gösterilir. Ölçümlendirme, sıfır uzunlukta bir çizgi oluşturduğu için geçersiz bir çizim oluşturur. Olası Çözüm 1: Çizim, bu ölçümlendirme için geçerli olan bir objeye ölçülendirme tanık çizgisi sürüklenerek çözümlenir. Olası Çözüm 2: Çizim, alt ölçümlendirme > 25 bir değere değiştirilip, alt yatay çizgi sıfır olmayan uzunlukta yapılarak çözümlenir. Çözümlenemeyen Geometri Örneği Orijinal çizim 100 ölçümlendirmesi, çözümlenemeyen bir çizim oluşturur; çünkü bu ölçümlendirmenin, diğer iki üçgen kenarının toplamını geçmesi olanaksızdır. Çözümlenemeyen çizim sarı ile gösterilir. Olası Çözüm: Çizim, ölçümlendirme çözümlenebilir bir ölçümlendirme değerine değiştirilerek çözümlenir. Olası Çözümler Ölçümlendirmeyi geçerli bir objeye yeniden konumlandırmak için sürükleyin. Ölçümlendirmeleri veya ilişkileri silin. Geçersiz geometriyi silin. Diğer ölçümlendirme değerlerini veya geometriyi çatışma kalmayacak şekilde düzenleyin. Ana başlıkHata Mesajları İlgili kavramlar Çizim Geometrisi Durumu İlgili başvurular Ölçümlendirme Sürülsün mü? İletişim Kutusu