Değiştirilmiş Ölçümlendirmeleri Vurgulamak

Bir teknik resim açılırken, eğer ölçümlendirmeker son kaydedildiğinden beri değişmişse, değişmiş ölçümlendirmeler vurgulanır. Değişmiş ölçümlendirmeleri görmek için parça veya montaj ve teknik resim SOLIDWORKS 2012 veya sonraki bir sürümünde kaydedilmelidir. Ölçümlendirmeleri değişmiş teknik resim kaydedilip kapatıldıktan sonra, değişmiş ölçümlendirme vurgulamaları sıfırlanır.
prj-17319-before-changes.gif
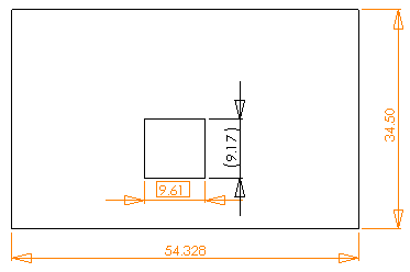
Değişikliklerden Önce
prj-17319-after-changes.gif
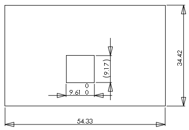
Değişikliklerden Sonra
Vurgulama açık iken bu değişiklikler teknik resimlerde vurgulanır:
  • Temel rakam değerlerini değiştiren Model Değişiklikleri
  • Modelde tolerans tipi veya değeri değişen alınmış ölçümlendirmeler
  • Parantez Ekle veya Kontrol Ölçümlendirmesi'nde değişiklik olan alınmış ölçümlendirmeler
  • Ölçümlendirme Metni'nde (<DIM>) değişiklik olan alınmış ölçümlendirmeler
Bu vurgulama fonksiyonunu kullanabilmek için önce parça veya montaj ve ilişkilendirilmiş teknik resimleri SOLIDWORKS 2012 veya sonraki bir sürümde kaydetmeniz gerekir. Teknik resmi yeniden açtığınızda vurgulanmış değişiklikler görünür. Eğer değişmiş ölçümlemdirmenin üzerine giderseniz, bir ipucu önceki ölçümlendirmeyi gösterir.

prj-17319-changed-dim.gif

Değişmiş ölçümlendirmelr

prj-17319-changed-tol.gif

Değişmiş tolerans