PropertyManager „Ansicht in Skizze umwandeln“

Sie können eine Zeichnungsansicht in Skizzenelemente oder einen Block von Skizzenelementen umwandeln. Verwenden Sie dazu den PropertyManager Ansicht in Skizze umwandeln.

So öffnen Sie diesen PropertyManager:

Klicken Sie mit der rechten Maustaste in die Zeichenansicht, und klicken Sie auf Ansicht in Skizze umwandeln.

Anzeigestatus

Ansicht durch Skizze ersetzen
Ersetzt die Zeichnungsansicht durch die entsprechenden 2D-Skizzenelemente.
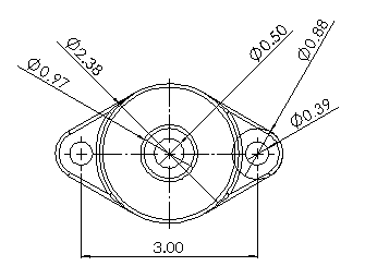
Ursprüngliche Zeichenansicht wn-original-drawing-view.png
Äquivalente 2D-Skizzenelemente wn-original-drawing-view-block1.png
Ansicht mit Block ersetzen
Ersetzt die Zeichnungsansicht durch die entsprechenden 2D-Skizzenelemente, die in einem Block gruppiert sind.
Ursprüngliche Zeichenansicht wn-original-drawing-view-dims.png
Block mit äquivalenten 2D-Skizzenelementen
wn-original-drawing-view-dims-block2.png
Als Block einfügen
Erstellt einen separaten Block mit äquivalenten 2D-Skizzenelementen, den Sie an beliebiger Stelle in der Zeichnung platzieren können.
insert-as-block-final.png
In diesem Beispiel wird der Block rechts zur Zeichenansicht hinzugefügt, statt die Zeichenansicht links zu ersetzen.

Einfügepunkt

Verfügbar, wenn Sie Ansicht mit Block ersetzen oder Als Block einfügen auswählen.

Fügt einen Pointmanipulator und eine Hinweislinie in den Grafikbereich ein, die Sie unabhängig voneinander ziehen können, um den Block zu platzieren.