ビューをスケッチに変換(Convert View to Sketch) PropertyManager を使用すると、図面ビューをスケッチ エンティティまたはスケッチ エンティティのブロックに変換できます。
この PropertyManager を開くには:
図面ビューで、右クリックして ビューをスケッチに変換(Convert View to Sketch) をクリックします。
表示状態(Display State)
ビューをスケッチで置換
|
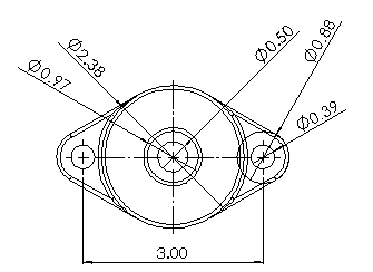
図面ビューを同等の 2D スケッチ エンティティで置換します。
オリジナルの図面ビュー |
|
同等の 2D スケッチ エンティティ |
|
|
ビューをブロックで置換
|
図面ビューをブロックでグループ化されている同等の 2D スケッチ エンティティで置換します。
オリジナルの図面ビュー |
|
同等の 2D スケッチ エンティティでブロック化 |

|
|
ブロックとして挿入(Insert as a block)
|
同等の 2D スケッチ エンティティで構成される別のブロックを作成します。このブロックは図面の任意の場所に配置できます。
この例では、左側の図面ビューを置換するのではなく、右側のブロックが図面ビューに追加されます。
|
挿入点(Insertion Point)
ビューをブロックで置換 または ブロックとして挿入(Insert as a block) を選択すると使用できます。
独立してドラッグしてブロックを配置できるポイント マニピュレータと引出線をグラフィックス領域に挿入します。