Configurations

Dans SOLIDWORKS, les configurations vous permettent de créer plusieurs versions d'un modèle de pièce ou d’assemblage au sein d’un même document. De plus, elles fournissent un moyen pratique de créer et gérer des familles de modèles renfermant différentes cotes, composants ou autres paramètres.

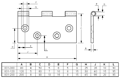
Vous pouvez créer les configurations manuellement ou utiliser une famille de pièces pour créer plusieurs configurations à la fois. Les familles de pièces constituent un moyen pratique de créer et de gérer les configurations dans une feuille de calcul. Vous pouvez utiliser les familles de pièces dans les documents de pièce et d’assemblage.

config_tutor_1.gif config_tutor_2.gif
config_tutor_3.gif config_tutor_4.gif

Vous pouvez les afficher dans les mises en plan.

config_design_table_drw.gif