Hervorheben geänderter Bemaßungen

Wenn sich beim Öffnen einer Zeichnung die Bemaßungen seit dem letzten Speichern der Zeichnung geändert haben, werden die geänderten Bemaßungen hervorgehoben. Um die geänderten Bemaßungen anzuzeigen, müssen das Teil oder die Baugruppe und die Zeichnung zuerst in SOLIDWORKS 2012 oder höher gespeichert werden. Nachdem eine Zeichnung mit geänderten Bemaßungen gespeichert und geschlossen wurde, wird die Hervorhebung für die geänderten Bemaßungen zurückgenommen.
prj-17319-before-changes.gif
Vor den Änderungen
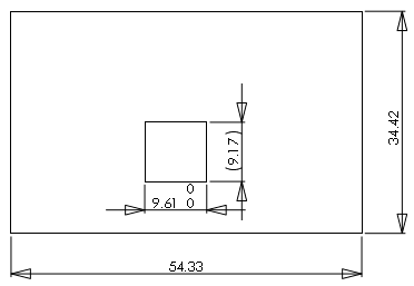
prj-17319-after-changes.gif
Nach den Änderungen
Wenn die Hervorhebung aktiviert ist, werden folgende Änderungen in Zeichnungen hervorgehoben:
  • Modelländerungen, die eine Änderung der Basisnummernwerte verursachen
  • Importierte Bemaßungen, bei denen der Toleranztyp oder -wert im Modell geändert wurde
  • Importierte Bemaßungen mit einer Änderung in Klammern hinzufügen oder Prüfmaß
  • Importierte Bemaßungen mit einer Änderung im Bemaßungstext (standardmäßig <DIM>)
Um diese Hervorhebungsfunktion zu verwenden, müssen Sie zuerst das Teil oder die Baugruppe sowie zugehörige Zeichnungen in SOLIDWORKS 2012 oder höher speichern. Wenn Sie die Zeichnung erneut öffnen, werden die hervorgehobenen Änderungen angezeigt. Wenn Sie auf eine geänderte Hervorhebung zeigen, wird in einem Tooltip die frühere Bemaßung angezeigt.

prj-17319-changed-dim.gif

Geänderte Bemaßungen

prj-17319-changed-tol.gif

Geänderte Toleranz