Ao abrir um desenho, se as dimensões foram alteradas desde o último salvamento desse desenho, as dimensões alteradas são realçadas. Para ver as dimensões alteradas, primeiro, a peça ou a montagem e o desenho precisam ser salvos no SOLIDWORKS 2012 ou posterior. Depois que o desenho com as dimensões alteradas for salvo e fechado, o realce das dimensões alteradas é redefinido.
|
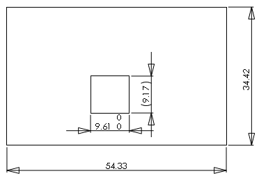
Antes das alterações |
|
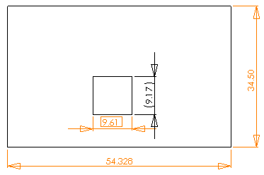
Depois das alterações |
Com o realce ativado, as seguintes alterações são realçadas nos desenhos:
- Alterações de modelo que causam alterações nos valores do número base
- As dimensões importadas onde o tipo ou o valor de tolerância foram alterados no modelo
- As dimensões importadas onde há uma alteração em Adicionar parênteses ou Dimensão de inspeção
- As dimensões importadas onde há uma alteração no Texto da dimensão (<DIM> por padrão)
Para usar a funcionalidade de realce, primeiro é necessário salvar a peça ou montagem e os desenhos associados no SOLIDWORKS 2012. Ao reabrir o desenho, as alterações realçadas serão exibidas. Se você passar o ponteiro do mouse em uma dimensão alterada, uma dica de ferramenta exibirá a dimensão anterior.
|
Dimensões alteradas
|
|
Tolerância alterada
|