PropertyManager Convertir vista a croquis

Puede convertir una vista de dibujo a entidades de croquis o a un bloque de entidades de croquis con el PropertyManager Convertir vista a croquis.

Para abrir este PropertyManager:

En una vista de dibujo, haga clic con el botón derecho del ratón y seleccione Convertir vista a croquis.

Estado de visualización

Sustituir la vista por un croquis
Sustituye la vista de dibujo por entidades de croquis 2D equivalentes.
Vista de dibujo original wn-original-drawing-view.png
Entidades de croquis 2D equivalentes wn-original-drawing-view-block1.png
Sustituir la vista por un bloque
Sustituye la vista de dibujo por entidades de croquis 2D equivalentes agrupadas en un bloque.
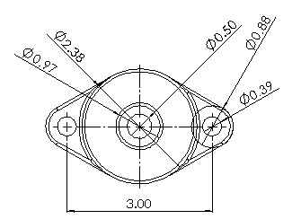
Vista de dibujo original wn-original-drawing-view-dims.png
Bloque con entidades de croquis 2D equivalentes
wn-original-drawing-view-dims-block2.png
Insertar como bloque
Crea un bloque separado formado por entidades de croquis 2D equivalentes que puede colocar en cualquier lugar del dibujo.
insert-as-block-final.png
En este ejemplo, el bloque de la derecha se agrega a la vista de dibujo, en lugar de sustituir a la vista de dibujo de la izquierda.

Punto de inserción

Disponible cuando selecciona Sustituir la vista por un bloque o Insertar como bloque.

Inserta un manipulador de punto y una línea indicativa que podrá arrastrar de manera independiente a la posición necesaria.