Bir teknik resim görünümünü çizim objelerine veya çizim objeleri bloğuna Görünümü Çizime Dönüştür PropertyManager'ı ile dönüştürebilirsiniz.
Bu PropertyManager'ı açmak için:
Bir teknik resim görünümünde, sağ tıklayın ve Görünümü Çizime Dönüştür öğesine tıklayın.
Görüntü Durumu
Görünümü çizimle değiştir
|
Teknik resim görünümünü eşdeğer 2B çizim objeleri ile değiştirir.
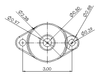
Orijinal teknik resim görünümü |
|
Eşdeğer 2B çizim objeleri: |
|
|
Görünümü blokla değiştir
|
Teknik resim görünümünü, bir blokta gruplanmış eşdeğer 2B çizim objeleri ile değiştirir.
Orijinal teknik resim görünümü |
|
Eşdeğer 2B çizim objeleri içeren blok |

|
|
Blok olarak ekle
|
Teknik resimde istediğiniz yere yerleştirebileceğiniz eşdeğer 2B çizim objelerinden oluşan ayrı bir blok oluşturur.
Bu örnekte, sağ taraftaki blok teknik resim görünümüne eklenir, soldaki teknik resim görünümünü değiştirmek yerine.
|
Ekleme Noktası
Görünümü blokla değiştir veya Blok olarak ekle öğesini seçtiğinizde kullanılabilir.
Grafik alanına bir nokta manipülatörü ve bloğu konumlandırmak için bağımsız olarak sürükleyebileceğiniz bir lider ekler.