Teknik Resimlerdeki Tasarım Tabloları

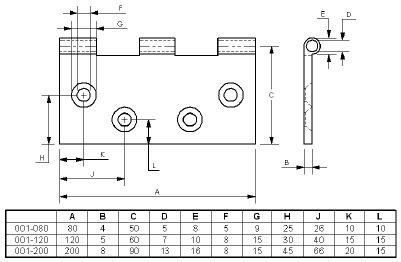
Bir model belgesi, çoklu konfigürasyonlar oluşturmak için bir tasarım tablosu kullanıyorsa tabloyu o modelin bir teknik resminde görüntüleyebilirsiniz. Bu şekilde, tek bir teknik resim, tüm konfigürasyonları temsil edebilir.

Tam ölçümlendirme adlarını ve değerlerini kullanmak yerine, ölçümlendirmeleri harflerle veya kısa, tanımlayıcı adlarla etiketleyebilirsiniz. Örneğin, D1@TabanEkstrüzyon yerine, tablonun sütun üst bilgisi olarak A veya kalınlık gibi bir etiket kullanabilir ve teknik resim görünümünde ölçümlendirme değeri yerine etiketi görüntüleyebilirsiniz.

Aşağıdaki örnek, bir tasarım tablosunun ve kontrol ettiği ölçümlendirmelerin bir teknik resimde nasıl görünebileceğini göstermektedir.