Messaggio di errore - Nessuna soluzione trovata

Possibili messaggi di errore

  • Lo schizzo non è stato aggiornato perché la sua risoluzione causerebbe una geometria non valida (ad esempio una linea con lunghezza zero). Considerare ciò che segue:
    • eliminazione della geometria non valida.
    • Cambio delle relazioni o delle quote per eliminare la geometria non valida.

Possibili cause di questi messaggi di errore

Elementi non validi

La geometria dello schizzo non può determinare la posizione di una o più entità di schizzo.

Elementi non risolvibili

Questa geometria dello schizzo sarebbe geometricamente non valida se lo schizzo fosse risolto.

Per impostare il colore per questi elementi, fare clic su Strumenti > Opzioni > Opzioni del sistema > Colori . Per il colore di schizzo non valido, selezionare Schizzo, Geometria non valida in Colori del sistema. Per il colore di schizzo non risolvibile, selezionare Schizzo, Non risolto. Fare clic su Modifica, selezionare un colore quindi fare clic su OK.
Esempio di geometria non valida
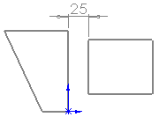
Schizzi originali con quota valida

La quota fa riferimento ad un'entità di schizzo non valida per questa quota. L'elemento di schizzo non valido è visualizzato in rosso.

La quota crea uno schizzo non valido perché genera una linea con lunghezza zero.

Possibile soluzione 1:

schizzo risolto trascinando la linea guida della quota su un'entità valida per questa quota.

Possibile soluzione 2:

Schizzo risolto portando la quota inferiore ad un valore > 25 in modo tale che la linea orizzontale inferiore sia di lunghezza diversa da zero.

Esempio di geometria non risolvibile
Schizzo originale

La quota di 100 crea uno schizzo non risolvibile perché non è possibile per quella quota eccedere il totale dei due lati del triangolo. Lo schizzo non risolvibile è visualizzato in giallo.

Possibile soluzione:

schizzo risolto portando la quota ad un valore risolvibile.

Potenziali correzioni

  • Trascinare per riposizionare la quota su un'entità valida.
  • Cancellare le quote o le relazioni.
  • Cancellare la geometria non valida.
  • Modificare gli altri valori di quotatura o la geometria in modo che non ci siano conflitti.