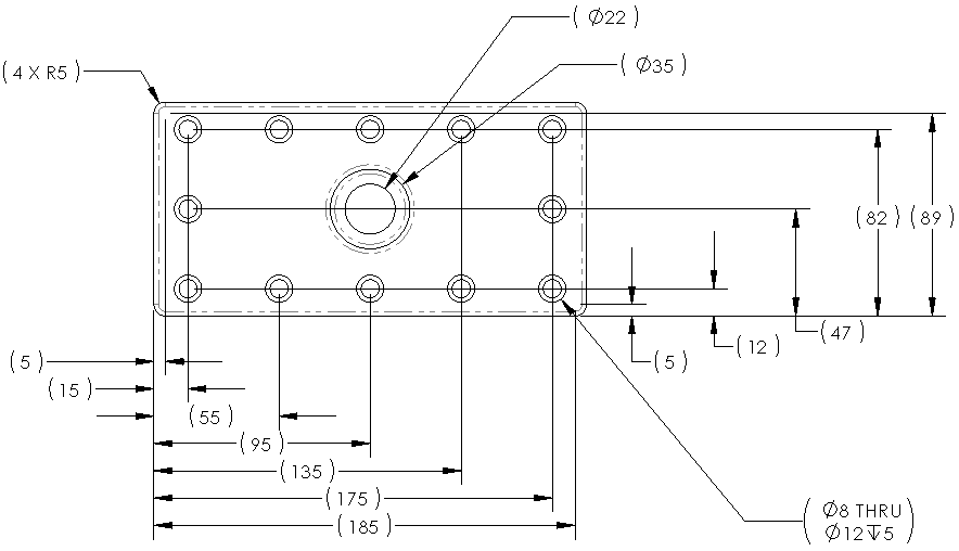
図面の自動寸法 自動寸法(Autodimension)ツールを使用して、図面ビューに基準線、チェーンおよび累進寸法として参照寸法を挿入することができます。自動寸法(Autodimension)ツールはスケッチでも同様に機能します。 基準線寸法を表しています: 目次 図面の自動寸法 図面の寸法PropertyManagerの自動寸法タブ(図面の寸法PropertyManagerの自動寸法タブ) 次のプロパティを指定して、基準線、チェーンおよび累進寸法として図面ビューに参照寸法を挿入します。 親トピック図面の寸法(Dimensions in Drawings)