ユーザー定義スケールの例(Custom Scale Examples)

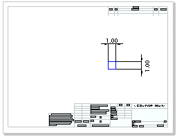
図面シート スケール 1:1
box1.gif
印刷のためのユーザー定義スケール 1:1
box1.gif
印刷出力
box1.gif

A 1 インチ x 1 インチ ソックスは同一スケールで印刷されます。 (1 インチ x 1 インチ)

図面シート スケール 1:1
box1.gif
印刷のためのユーザー定義スケール 2:1
box2.gif
印刷出力
box222.gif

寸法値が同じ状態のままでも、A 1 インチ x 1 インチ ソックスは、 2 インチ x 2 インチ ソックスとして印刷されます。 (反対に、ユーザー定義スケールを 1:2 に設定すると、ボックスは 0.5 インチ x 0.5 インチで印刷されます)

図面シート スケール 1:2
box3.gif
印刷のためのユーザー定義スケール 1:1
box44.gif
印刷出力
box333.gif

A 1 インチ x 1 インチ ボックスは、1 インチ x 1 インチ ボックスとして印刷されます。 但し、ボックスは、1:1 スケールになるまで拡大表示されるため、図面は、四分の一だけ印刷されます。

図面シート スケール D-横 1:1
box4.gif
印刷のためのユーザー定義スケール A-横 1:1
box44.gif
印刷出力
box333.gif

A 1 インチ x 1 インチ ボックスは、図面シートのスケールが同じであるため A 1 インチ x 1 インチ ボックスとして印刷されます。 但し、 A-縦シートは、 D-横シートの 8 分の 1 であるため、図面シートの 8 分の 1 のみ印刷されます。