Configurações

As configurações no SOLIDWORKS permitem criar muitas variações de uma peça ou modelo de montagem dentro de um único documento. Elas são uma maneira conveniente de desenvolver e administrar famílias de modelos com diferentes dimensões, componentes ou outros parâmetros.

É possível criar configurações manualmente ou utilizar uma tabela de projeto para criar várias configurações simultaneamente. As tabelas de projeto fornecem uma maneira conveniente de criar e gerenciar configurações em uma planilha. Você pode usar tabelas de projeto em documentos de peça e de montagem.

config_tutor_1.gif config_tutor_2.gif
config_tutor_3.gif config_tutor_4.gif

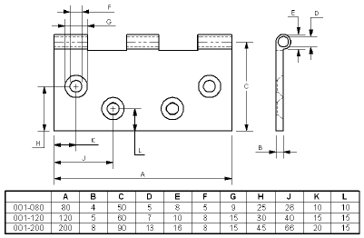
É possível exibir as tabelas nos desenhos.

config_design_table_drw.gif