Mensagem de erro - Nenhuma solução encontrada

Mensagens de erro possíveis

  • O esboço não foi atualizado porque solucioná-lo resultaria em uma geometria inválida (como uma linha com comprimento zero). Considere:
    • Excluir a geometria inválida.
    • Alterar as relações ou dimensões para eliminar a geometria inválida.

Possíveis razões para essas mensagens de erro

Itens inválidos

A geometria de esboço não pode determinar a posição de uma ou mais entidades de esboço.

Itens insolúveis

A geometria de esboço seria geometricamente inválida se o esboço fosse resolvido.

Para definir a cor para esses itens, clique em Ferramentas > Opções > Opções do sistema > Cores . Para a cor do esboço válido, selecione Esboço, Geometria inválida em Cores do sistema. Para a cor do esboço insolúvel, selecione Esboço, Não resolvido. Clique em Editar, selecione uma cor e, em seguida, clique em OK.
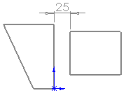
Exemplo de geometria inválida
Esboços originais com dimensão válida.

A dimensão faz referência a uma entidade de esboço que não é válida para esta dimensão. O item de esboço inválido é exibido em vermelho.

A dimensão cria um esboço inválido, pois cria uma linha de comprimento zero.

Solução possível 1:

Esboço resolvido arrastando-se a linha indicadora de dimensão para uma entidade válida para essa dimensão.

Solução possível 2:

Esboço resolvido alterando-se a dimensão inferior para um valor menor que 25, de modo que a linha horizontal inferior não seja de comprimento zero.

Exemplo de geometria insolúvel
Esboço original

A dimensão 100 cria um esboço insolúvel, pois é impossível que essa dimensão exceda o total das duas outras faces triangulares. O esboço insolúvel é exibido em amarelo.

Solução possível:

Esboço resolvido alterando-se a dimensão para um valor de dimensão solúvel.

Possíveis correções

  • Arrastar para reposicionar a dimensão a uma entidade válida.
  • Excluir dimensões e relações.
  • Excluir a geometria inválida.
  • Editar outros valores de dimensão ou geometria para que não haja conflito.