Autodimensionar um desenho

Você pode usar a ferramenta Autodimensionamento para inserir dimensões de referência em vistas de desenho como dimensões de linha de base, de cadeia e de ordenada. A ferramenta Autodimensionamento funciona de forma semelhante em esboços.

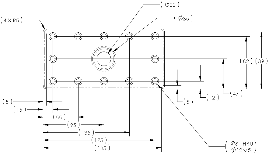
Veja abaixo um esquema de dimensão de linha de base:
autodim_baseline2.gif