Tabelas de projeto em desenhos

Se o documento de um modelo utiliza uma tabela de projeto para gerar várias configurações, é possível exibir a tabela num desenho do modelo. Dessa maneira, um único desenho pode representar todas as configurações.

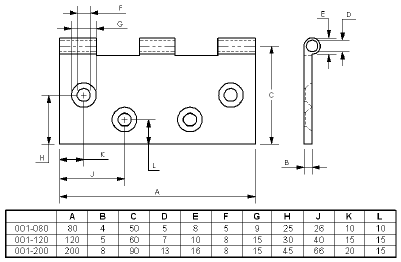
Você pode identificar as dimensões com letras ou nomes curtos e descritivos, em vez de utilizar os nomes completos e valores das dimensões. Por exemplo, em vez de D1@ExtrusãoBase, você pode usar uma etiqueta como A ou espessura como cabeçalho da coluna da tabela e exibir esta etiqueta em vez do valor da dimensão na vista de desenho.

Veja a seguir uma ilustração de como uma tabela de projeto e as dimensões que ela controla podem ser exibidas em um desenho.