錯誤訊息 - 無法找到解答

可能的錯誤訊息

  • 草圖沒有更新,因為解出它會產生無效的幾何(例如零長度的直線)。請考慮:
    • 刪除無效的幾何。
    • 變更限制條件或尺寸以刪除無效的幾何。

這些錯誤訊息的可能原因

無效的項目

草圖幾何無法決定一或多個草圖圖元的位置。

無法解出的項目

如果草圖被解出,則草圖幾何將是無效的。

若要設定這些項目的色彩,按一下 工具 > 選項 > 系統選項 > 色彩 。對於無效草圖的色彩,選擇系統色彩中的草圖、無效的幾何。對於無法解出的草圖色彩,選擇草圖、無法解出。按一下編輯,選擇色彩,然後按一下確定
無效的幾何範例
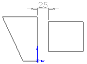
包含有效尺寸的原始草圖

尺寸參考不適用於該尺寸的草圖圖元。無效的草圖圖元以紅色顯示。

尺寸將產生無效的草圖,因為它會產生一條零長度的直線。

可能的解決方法 1:

將尺寸界線拖曳至該尺寸的有效圖元以解出草圖。

可能的解決方法 2:

將底部尺寸的值變更為 > 25 的值,這樣底部水平線就是非零長度,從而解出草圖。

無法解出的幾何範例
原始草圖

尺寸 100 會產生無法解出的草圖,因為該尺寸無法超過三角形另外兩邊的總和。無法解出的草圖以黃色顯示。

可能的解決方法:

將尺寸變更為可以解出的尺寸值來解出草圖。

可能的解決方法

  • 拖曳以將尺寸重新定位至有效的圖元。
  • 刪除尺寸或限制條件。
  • 刪除無效的幾何。
  • 編輯其他尺寸值或幾何,使之沒有衝突。