• 關於
  • 學習資源
  • My.SolidWorks
  • 訂閱服務
3DS
> 尺寸細目和工程圖 > 工程圖 > 工程圖中的尺寸 > 自動標註工程圖尺寸
Compass
SOLIDWORKS 說明
其他版本:  |  列印     | 對此主題的意見反應  
歡迎使用 SOLIDWORKS 線上說明
說明
學習與協同作業的資源
法律注意事項
Expand 管理管理
Expand 使用者介面使用者介面
Expand 基礎知識基礎知識
Expand 顯示顯示
Expand 使用 3DEXPERIENCE Platform 和 3DEXPERIENCE 應用程式 使用 3DEXPERIENCE Platform 和 3DEXPERIENCE 應用程式
Expand 從 2D 到 3D從 2D 到 3D
Expand 組合件組合件
Expand CircuitWorksCircuitWorks
Expand 模型組態模型組態
Expand SOLIDWORKS CostingSOLIDWORKS Costing
Expand Design CheckerDesign Checker
Expand SOLIDWORKS 中的設計研究SOLIDWORKS 中的設計研究
Collapse 尺寸細目和工程圖尺寸細目和工程圖
尺寸細目概要
設定尺寸細目選項
模型項次
模型項次 PropertyManager
eDrawings 標示
Expand 樣式樣式
新增或更新樣式
Expand 註記註記
Expand 表格表格
Expand 零件表 (BOM)零件表 (BOM)
Expand 草稿標準草稿標準
列印設定
Collapse 工程圖工程圖
工程圖概要
Expand 工程圖的入門工程圖的入門
Expand 工程圖文件的類型工程圖文件的類型
Expand 標準工程視圖標準工程視圖
Expand 導出工程視圖導出工程視圖
多視圖 PropertyManager
將視圖轉換為草圖 PropertyManager
Expand 控制工程視圖控制工程視圖
Expand 隱藏及顯示工程圖元素隱藏及顯示工程圖元素
Expand 工程圖中的顯示狀態工程圖中的顯示狀態
取代工程視圖的模型
DrawCompare
工程圖開啟進度指示器
效能評估 - 工程圖
列印工程圖(Printing Drawings)
傳送郵件
Expand 標題圖塊管理標題圖塊管理
Collapse 工程圖中的尺寸工程圖中的尺寸
格式化工程圖中的尺寸
尺寸顯示選項
隱藏/顯示註記
Expand 強調顯示變更的尺寸強調顯示變更的尺寸
將尺寸插入工程圖中
尺寸類型
零值小數位數
文件屬性 - 尺寸
標註其他尺寸 PropertyManager
尺寸值 PropertyManager
尺寸精度
Expand 對正尺寸與註解對正尺寸與註解
搜尋等長關係
快速標註尺寸
Expand 自動標註工程圖尺寸自動標註工程圖尺寸
DimXpert
尺寸 PropertyManager
在工程圖中加入平行尺寸
參考尺寸
工程圖中的參考質量中心
在特定尺寸上使用括弧
基準尺寸
連續尺寸
Expand 對稱線性直徑尺寸對稱線性直徑尺寸
Expand 座標尺寸座標尺寸
Expand 角度運行尺寸 角度運行尺寸
導角尺寸
Expand 公差與精度公差與精度
移動及複製尺寸
修改尺寸
刪除尺寸
Expand 尺寸調色盤尺寸調色盤
Expand 尺寸界線尺寸界線
Expand 尺寸導線尺寸導線
範例:尺寸配置類型
標註尺寸至中點
自動尋找尺寸的虛擬交角
Expand SOLIDWORKS File UtilitiesSOLIDWORKS File Utilities
Expand DFMXpressDFMXpress
Expand DriveWorksXpressDriveWorksXpress
Expand FloXpressFloXpress
Expand 輸入和輸出輸入和輸出
使用 3DEXPERIENCE Marketplace | Make
使用 3D EXPERIENCE Marketplace | PartSupply
Expand SOLIDWORKS MBDSOLIDWORKS MBD
Expand 模型顯示模型顯示
Expand 模具設計模具設計
Expand 動作研究動作研究
Expand 零件和特徵零件和特徵
Expand 線路設計線路設計
Expand 鈑金鈑金
Expand 模擬模擬
Expand SimulationXpressSimulationXpress
Expand 草圖繪製草圖繪製
Expand SLDXML 資料交換SLDXML 資料交換
Expand SOLIDWORKS SustainabilitySOLIDWORKS Sustainability
Expand 公差公差
Expand TolAnalystTolAnalyst
Expand ToolboxToolbox
Expand SOLIDWORKS UtilitiesSOLIDWORKS Utilities
Expand 熔接與結構系統熔接與結構系統
Expand 發佈至 3DCloudByMe PropertyManager發佈至 3DCloudByMe PropertyManager
Expand 疑難排解疑難排解
隱藏目錄 顯示目錄

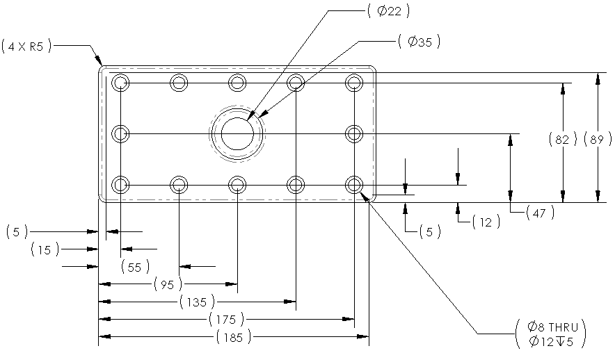
自動標註工程圖尺寸

您可以使用自動標註尺寸工具將參考尺寸插入工程視圖作為基準尺寸、連續尺寸及座標尺寸。自動標註工具在草圖中也是類似的操作。

下方顯示一基準尺寸的配置:
autodim_baseline2.gif

目錄

  • 自動標註工程圖尺寸

  • 工程圖中尺寸 PropertyManager 的自動標註尺寸標籤

    指定下列屬性,以插入參考尺寸至工程視圖作為基準尺寸、連續尺寸及座標尺寸。

上層主題工程圖中的尺寸
在 SOLIDWORKS Knowledge Base 中搜尋「自動標註工程圖尺寸」。


提供對此主題的意見反應

SOLIDWORKS 歡迎您提供有關於文件呈現方式、正確性、及完整性的意見反應。請使用下方的表格直接將您對此主題的意見與建議傳送給我們的文件團隊。文件團隊並無法回答關於技術支援的問題。按一下此處來獲得關於技術支援的資訊。

* 必要的

 
*電子郵件:  
主旨:   說明主題的意見反應
頁面:   自動標註工程圖尺寸
*意見:  
*   我承認已閱讀且僅此接受隱私權政策,Dassault Systèmes 將遵循此政策之規定使用我的個人資料
取消

感謝您寶貴的意見。如果我們對您的意見反應有任何的問題,將會與您聯絡。

誠摯地,
SOLIDWORKS 文件團隊敬上

列印主題

選擇要列印的內容範圍:

取消
x

偵測到您使用的瀏覽器版本是舊於 Internet Explorer 7。要獲得最佳的顯示,建議您升級瀏覽器到 Internet Explorer 7 或更新的版本。

 不要再次顯示此訊息
x

Web 式說明內容版本:SOLIDWORKS 2022 SP05

要從 SOLIDWORKS 中停用 Web 式的說明並改用本機說明,請按一下說明 > 使用 SOLIDWORKS Web 式說明。

要報告在 Web 式說明介面及搜尋中遇到的問題,請聯絡您當地的技術支援代表。要針對個別說明主題提供意見反應,請使用個別主題頁面中的「提供對此主題的意見反應」連結。

0.20.10

使用條款  | 隱私權政策  | 個人化 Cookie 選擇  | 取得產品展示  | 聯絡銷售人員  | 取得報價  © 1995-2025 Dassault Systèmes. All rights reserved.