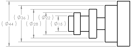
快速標註尺寸 您可以使用快速尺寸選擇器來放置尺寸,以使它們間距均勻且更易於閱讀。 快速尺寸選擇器會在您於工程視圖中插入尺寸時出現。 此操控點可用於以均勻的間距放置尺寸。 例如,如果您在兩個尺寸之間插入尺寸,則新尺寸與這兩個尺寸的間距是均勻的。 使用快速尺寸選擇器來快速地放置尺寸。 您可以在工具 > 選項 > 文件屬性 > 尺寸中的偏移距離下控制快速尺寸使用的間距。 當快速尺寸選擇器在對稱的中心線上產生尺寸時,系統會將 ANSI 標準工程圖中任何可能重疊的尺寸交錯。 要停用快速尺寸選擇器,請在尺寸 PropertyManager 中的尺寸協助工具之下清除快速標註尺寸。 此設定會存續於各工作階段中。 啟用快速尺寸選擇器時,您可以按下 ESC 來解除它。 再按一次 ESC 會解除「智慧型尺寸」工具。 上層主題工程圖中的尺寸 使用快速尺寸選擇器 您可以使用快速尺寸選擇器來放置尺寸,以使它們間距均勻且更易於閱讀。 智慧型尺寸智慧型尺寸 (「尺寸/限制條件」工具列),或按一下工具 > 尺寸 > 智慧型。 按一下要標註尺寸的圖元。 根據可被放置的尺寸類型,快速尺寸選擇器會顯示為: 或 。 按一下操控點的一部份。您也可以使用: Tab 鍵切換至不同的操控點位置 空格鍵將尺寸置於模型幾何外部合適的位置 尺寸即放置於所選圖元的附近。如果需要,現有的尺寸會移動來讓出空間給新的尺寸。 要停用快速尺寸選擇器,請在尺寸 PropertyManager 中的尺寸協助工具之下清除快速標註尺寸。 此設定會存續於各工作階段中。 啟用快速尺寸選擇器時,您可以按下 ESC 來解除它。 再按一次 ESC 會解除「智慧型尺寸」工具。
快速標註尺寸 您可以使用快速尺寸選擇器來放置尺寸,以使它們間距均勻且更易於閱讀。 快速尺寸選擇器會在您於工程視圖中插入尺寸時出現。 此操控點可用於以均勻的間距放置尺寸。 例如,如果您在兩個尺寸之間插入尺寸,則新尺寸與這兩個尺寸的間距是均勻的。 使用快速尺寸選擇器來快速地放置尺寸。 您可以在工具 > 選項 > 文件屬性 > 尺寸中的偏移距離下控制快速尺寸使用的間距。 當快速尺寸選擇器在對稱的中心線上產生尺寸時,系統會將 ANSI 標準工程圖中任何可能重疊的尺寸交錯。 要停用快速尺寸選擇器,請在尺寸 PropertyManager 中的尺寸協助工具之下清除快速標註尺寸。 此設定會存續於各工作階段中。 啟用快速尺寸選擇器時,您可以按下 ESC 來解除它。 再按一次 ESC 會解除「智慧型尺寸」工具。 上層主題工程圖中的尺寸 使用快速尺寸選擇器 您可以使用快速尺寸選擇器來放置尺寸,以使它們間距均勻且更易於閱讀。 智慧型尺寸智慧型尺寸 (「尺寸/限制條件」工具列),或按一下工具 > 尺寸 > 智慧型。 按一下要標註尺寸的圖元。 根據可被放置的尺寸類型,快速尺寸選擇器會顯示為: 或 。 按一下操控點的一部份。您也可以使用: Tab 鍵切換至不同的操控點位置 空格鍵將尺寸置於模型幾何外部合適的位置 尺寸即放置於所選圖元的附近。如果需要,現有的尺寸會移動來讓出空間給新的尺寸。 要停用快速尺寸選擇器,請在尺寸 PropertyManager 中的尺寸協助工具之下清除快速標註尺寸。 此設定會存續於各工作階段中。 啟用快速尺寸選擇器時,您可以按下 ESC 來解除它。 再按一次 ESC 會解除「智慧型尺寸」工具。
使用快速尺寸選擇器 您可以使用快速尺寸選擇器來放置尺寸,以使它們間距均勻且更易於閱讀。 智慧型尺寸智慧型尺寸 (「尺寸/限制條件」工具列),或按一下工具 > 尺寸 > 智慧型。 按一下要標註尺寸的圖元。 根據可被放置的尺寸類型,快速尺寸選擇器會顯示為: 或 。 按一下操控點的一部份。您也可以使用: Tab 鍵切換至不同的操控點位置 空格鍵將尺寸置於模型幾何外部合適的位置 尺寸即放置於所選圖元的附近。如果需要,現有的尺寸會移動來讓出空間給新的尺寸。 要停用快速尺寸選擇器,請在尺寸 PropertyManager 中的尺寸協助工具之下清除快速標註尺寸。 此設定會存續於各工作階段中。 啟用快速尺寸選擇器時,您可以按下 ESC 來解除它。 再按一次 ESC 會解除「智慧型尺寸」工具。