強調顯示變更的尺寸

開啟工程圖時,如果尺寸自前次儲存工程圖後已變更,變更的尺寸會強調顯示。 要查看變更的尺寸,您必須先在 SOLIDWORKS 2012 或之後的版本中儲存零件或組合件和工程圖。 儲存包含變更尺寸的工程圖並關閉之後,變更尺寸的強調顯示狀態會重設。
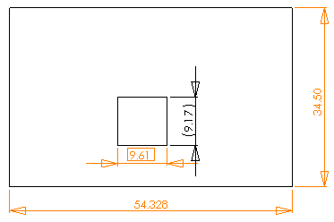
prj-17319-before-changes.gif
變更之前
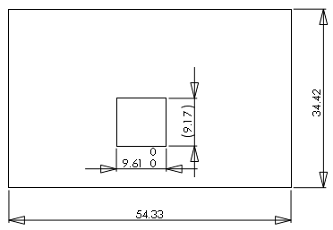
prj-17319-after-changes.gif
變更之後
開啟強調顯示時,下列變更會在工程圖中強調顯示:
  • 導致基本號碼值變更的模型變更
  • 公差類型或值已在模型中變更的已輸入尺寸
  • 加入括弧檢查尺寸發生變更的已輸入尺寸
  • 尺寸文字 (預設為 <DIM>) 發生變更的已輸入尺寸
若要使用此強調顯示功能,您必須先在 SOLIDWORKS 2012 或之後的版本中儲存零件或組合件及相關工程圖。 重新開啟工程圖時,強調顯示的變更便會出現。 若您移動至變更的尺寸上方,工具提示將顯示先前的尺寸。

prj-17319-changed-dim.gif

變更的尺寸

prj-17319-changed-tol.gif

變更的公差