Fehlermeldung - Keine Lösung gefunden

Mögliche Fehlermeldungen

  • Die Skizze wurde nicht aktualisiert, da das Lösen der Skizze zu ungültiger Geometrie (wie Linienlänge Null) führen würde. Wählen Sie eine der folgenden Vorgehensweisen:
    • Löschen der ungültigen Geometrie.
    • Änderung der Beziehungen oder Bemaßungen, um die ungültige Geometrie zu eliminieren.

Mögliche Gründe für diese Fehlermeldungen

Ungültige Elemente

Die Skizzengeometrie kann nicht die Position von einem oder mehreren Skizzenelementen bestimmen.

Unlösbare Elemente

Die Skizzengeometrie wäre im geometrischen Sinne ungültig, wenn die Skizze gelöst wäre.

Um die Farbe für diese Elemente festzulegen, klicken Sie auf Extras > Optionen > Systemoptionen > Farben . Wählen Sie für die Farbe ungültiger Skizzen die Optionen Skizze, Ungültige Geometrie unter Systemfarben. Wählen Sie für die Farbe unlösbarer Skizzen die Optionen Skizze, Nicht gelöst. Klicken Sie auf Bearbeiten, wählen Sie eine Farbe aus, und klicken Sie auf OK.
Beispiel für ungültige Geometrie
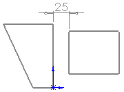
Ursprüngliche Skizzen mit gültiger Bemaßung

Die Bemaßung referenziert ein Skizzenelement, das für diese Bemaßung nicht gültig ist. Das ungültige Skizzenelement wird in Rot angezeigt.

Mit der Bemaßung wird eine ungültige Skizze erstellt, weil eine Linie mit der Länge 0 erstellt wird.

Mögliche Lösung 1:

Die Skizze wird gelöst, indem die Maßhilfslinie zu einem gültigen Element für diese Bemaßung gezogen wird.

Mögliche Lösung 2:

Die Skizze wird gelöst, indem die untere Bemaßung auf einen Wert > 25 geändert wird, so dass die untere horizontale Linie nicht mehr die Länge 0 hat.

Beispiel für unlösbare Geometrie
Ursprüngliche Skizze

Mit der Bemaßung 100 wird eine unlösbare Skizze erstellt, weil diese Bemaßung die Summe der zwei anderen Dreiecksseiten nicht übersteigen kann. Die unlösbare Skizze ist in Gelb angezeigt.

Mögliche Lösung:

Die Skizze wird gelöst, indem die Bemaßung auf einen lösbaren Wert geändert wird.

Mögliche Lösungen

  • Ziehen Sie, um die Bemaßung an einem gültigen Element neu zu positionieren.
  • Löschen Sie Bemaßungen oder Beziehungen.
  • Löschen Sie ungültige Geometrie.
  • Bearbeiten Sie andere Bemaßungswerte oder Geometrie, so dass kein Konflikt mehr besteht.