Mit dem Werkzeug Automatisch bemaßen können Referenzbemaßungen als Bezugs-, Ketten- und Ordinatenbemaßungen in Zeichenansichten eingefügt werden. Das Werkzeug Automatisch bemaßen funktioniert auf ähnliche Weise in Skizzen.
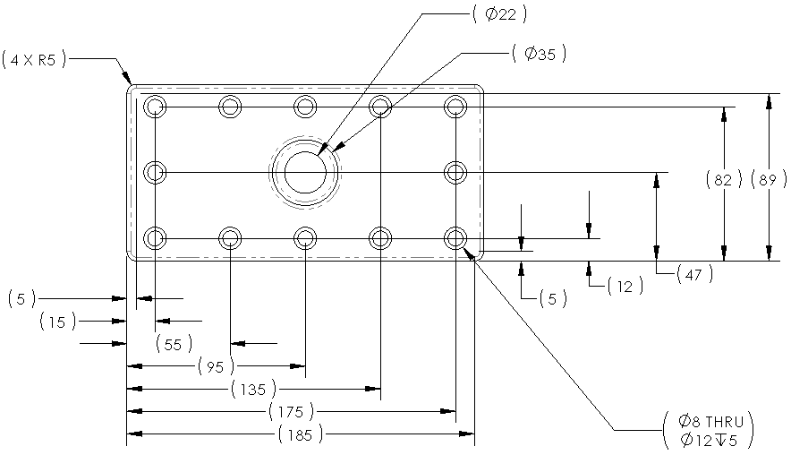
Nachstehend sehen Sie ein Bezugsbemaßungsschema: