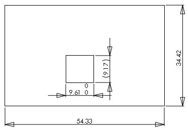
Wenn sich beim Öffnen einer Zeichnung die Bemaßungen seit dem letzten Speichern der Zeichnung geändert haben, werden die geänderten Bemaßungen hervorgehoben.
 |
Vor den Änderungen |
 |
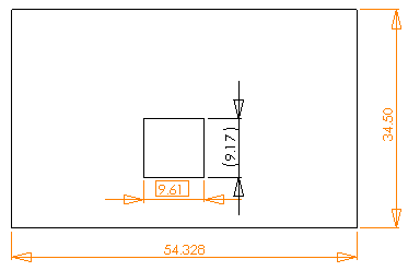
Nach den Änderungen |
Wenn die Hervorhebung aktiviert ist, werden folgende Änderungen in Zeichnungen hervorgehoben:
- Modelländerungen, die eine Änderung der Basisnummernwerte verursachen
- Importierte Bemaßungen, bei denen der Toleranztyp oder -wert im Modell geändert wurde
- Importierte Bemaßungen mit einer Änderung in Klammern hinzufügen oder Prüfmaß
- Importierte Bemaßungen mit einer Änderung im Bemaßungstext (standardmäßig <DIM>)
Wenn Sie auf eine geänderte Hervorhebung zeigen, wird in einem Tooltip die frühere Bemaßung angezeigt.

|
Geänderte Bemaßungen
|

|
Geänderte Toleranz
|