세로좌표 치수에 대한 오프셋 설정

세로좌표 치수에 대한 오프셋 설정하기:

  1. 옵션 대화 상자에서 제도 스타일 을 클릭합니다.
  2. 치수 > > 치수선 설정을 확장합니다.
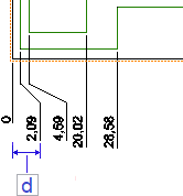
  3. 오프셋에서 치수선 사이의 간격을 지정합니다(이미지에 "d"로 표시됨). 일반적으로 기준선 치수에 적용되는 이 설정은 AutoDimension 명령으로 세로좌표 치수를 작성할 때 다른 데이텀 위에 데이텀을 배치하지 않도록 최소 데이텀 거리로도 사용됩니다.
  4. 치수 > 화살표를 확장합니다.
  5. 크기에서 화살표 크기를 지정합니다(이미지에 "d"로 표시됨). 이 설정은 AutoDimension 명령으로 세로좌표 치수를 작성할 때 지오메트리 위치와 데이텀 위치 사이의 최소 거리로도 사용됩니다.