측정된 선형 도면요소로부터 지정한 거리, 연속 치수선 사이 또는 반경 및 직경 치수에 대해 지정한 각도에 치수선이 오도록 설정할 수 있습니다.
치수 오프셋 거리에 대한 기본 설정 지정하기:
-
다음 중 하나를 수행합니다.
-
을 클릭합니다(또는 옵션입력). 옵션 대화 상자에서 도면 설정
을 클릭합니다.
- DrawingSettings를 입력합니다.
- 치수 스냅 오프셋 거리를 확장합니다.
- 오프셋 거리 활성화 여부를 지정합니다.
- 오프셋 거리에서 다음 항목을 설정합니다.
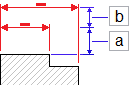
- 측정한 선형 도면요소로부터 첫 치수선의 오프셋
- 연속 치수선 사이의 오프셋 거리

기본 오프셋 거리는 도면요소와 첫 치수선 사이에 0.40인치(10mm)이며 치수 사이는 0.25인치(6mm)입니다.
- 반경/직경 스냅 각도에서 반경 위치를 따라 반경 및 직경 치수를 드래그할 때 사용할 스냅 각도 간격을 설정합니다. 기본 스냅 각도는 15°입니다.