도면의 설계 변수 테이블

모델 문서에서 여러 설정을 작성하기 위해 설계 변수 테이블을 사용할 경우 모델의 도면에 테이블을 표시할 수 있습니다. 이러한 방법으로 하나의 도면에 모든 설정을 표시할 수 있습니다.

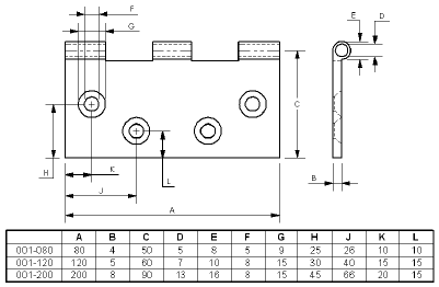
치수에 전체 치수 이름과 값을 사용하지 않고 짧은 함축적 이름을 붙일 수 있습니다. 예를 들어, 테이블의 열 머리글로 D1@BaseExtrude 대신 A, 두께 같은 라벨을 사용할 수 있으며 도면 뷰에서 치수 값 대신 라벨을 표시할 수 있습니다.

다음은 설계 변수 테이블과 그 조절 치수가 도면에 나타나는 예입니다.