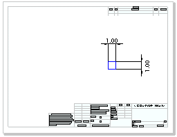
사용자 정의 배율 예제 도면 시트 배율 1:1 인쇄용 사용자 정의 배율 1:1 출력물 1인치 x 1인치 상자가 동일한 배율(1인치 x 1인치)로 인쇄됩니다. 도면 시트 배율 1:1 인쇄용 사용자 정의 배율 2:1 출력물 치수 값이 동일하게 유지되는 경우에도 1인치 x 1인치 상자가 2인치 x 2인치 상자로 인쇄됩니다. (즉, 사용자 정의 배율을 1:2로 설정하면 상자가 0.5인치 x 0.5인치로 인쇄됩니다.) 도면 시트 배율 1:2 인쇄용 사용자 정의 배율 1:1 출력물 1인치 x 1인치 상자가 1인치 x 1인치 상자로 인쇄되지만 상자를 1:1 배율로 만들기 위해 도면이 확대되므로 도면 시트의 1/4만 인쇄됩니다. 도면 시트 배율 D-가로 방향 1:1 인쇄용 사용자 정의 배율 A-가로 방향 1:1 출력물 도면 시트 배율이 동일하기 때문에 1인치 x 1인치 상자가 1인치 x 1인치 상자로 인쇄됩니다. 하지만 A-가로 방향 시트는 D-가로 방향 시트 크기의 1/8이므로 도면 시트의 1/8만 인쇄됩니다. 상위 주제인쇄 중 인쇄 문서 속성 - 선 두께 인쇄 미리 보기 페이지 설정 인쇄 선택 쾌속 프로토타입(3D 인쇄)