將視圖轉換為草圖 PropertyManager

您可以使用將視圖轉換為草圖 PropertyManager,來將工程視圖轉換為草圖圖元或草圖圖元圖塊。

若要開啟此 PropertyManager:

在工程視圖中,按右鍵並按一下 將視圖轉換為草圖

顯示狀態

用草圖取代視圖
用同等 2D 草圖圖元取代工程視圖。
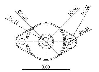
原始工程視圖 wn-original-drawing-view.png
同等 2D 草圖圖元 wn-original-drawing-view-block1.png
用圖塊取代視圖
用在圖塊中分組的同等 2D 草圖圖元取代工程視圖。
原始工程視圖 wn-original-drawing-view-dims.png
具有同等 2D 草圖圖元的圖塊
wn-original-drawing-view-dims-block2.png
作為圖塊插入
產生一個您可以放置在工程圖中任何地方之包含同等 2D 草圖圖元的單獨圖塊。
insert-as-block-final.png
在本範例中,會將右側的圖塊加入至工程視圖,而不是取代左側的工程視圖。

插入點

當您選擇以圖塊取代視圖作為圖塊插入時可用。

在圖面中插入操控點與導線,以便您可以單獨拖曳來放置圖塊。