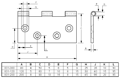
Configurations in SOLIDWORKS allow you to create multiple variations of a part or assembly model within a single document. Configurations are a convenient way to develop and manage families of models with different dimensions, components, or other parameters.
You can create configurations manually, or you can use a design table to create multiple configurations simultaneously. Design tables provide a convenient way to create and manage configurations in a worksheet. You can use design tables in both part and assembly documents.
You can display design tables in drawings.
