PropertyManager di Converti vista in schizzo

È possibile convertire una vista del disegno in entità di schizzo o in un blocco di entità di schizzo usando il PropertyManager di Converti vista in schizzo.

Per aprire questo PropertyManager:

In una vista del disegno, fare clic con il pulsante destro del mouse e scegliere Converti vista in schizzo.

Stato di visualizzazione

Sostituisci vista con schizzo
Sostituisce la vista del disegno con le entità di schizzo 2D equivalenti.
Vista di disegno originale. wn-original-drawing-view.png
Entità di schizzo 2D equivalenti wn-original-drawing-view-block1.png
Sostituisci vista con blocco
Sostituisce la vista del disegno con entità di schizzo 2D equivalenti raggruppate in blocco.
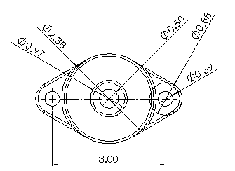
Vista di disegno originale. wn-original-drawing-view-dims.png
Blocco con entità di schizzo 2D equivalenti
wn-original-drawing-view-dims-block2.png
Inserisci come blocco
Crea un blocco separato costituito da entità di schizzo 2D equivalenti che è possibile sistemare in qualsiasi posizione nel disegno.
insert-as-block-final.png
In questo esempio, il blocco di destra viene aggiunto alla vista di disegno anziché sostituire la vista di disegno di sinistra.

Punto di inserimento

Disponibile quando si seleziona alternativamente Sostituisci vista con blocco o Inserisci come blocco.

Inserisce un manipolatore di punto e una linea di associazione nell'area grafica, trascinabili individualmente per posizionare il blocco.