Exemplos de escala personalizada

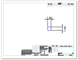
Escala da folha de desenho 1:1
box1.gif
Escala personalizada para impressão 1:1
box1.gif
Resultado impresso
box1.gif

Uma caixa de 1 polegada x 1 polegada é impressa na mesma escala (1 polegada x 1 polegada).

Escala da folha de desenho 1:1
box1.gif
Escala personalizada para impressão 2:1
box2.gif
Resultado impresso
box222.gif

Uma caixa de 1 polegada x 1 polegada é impressa como uma caixa de 2 polegadas x 2 polegadas, embora os valores de dimensão permaneçam os mesmos (de maneira inversa, se você definir a escala personalizada como 1:2, a caixa será impressa em 0,5 polegada x 0,5 polegada).

Escala da folha de desenho 1:2
box3.gif
Escala personalizada para impressão 1:1
box44.gif
Resultado impresso
box333.gif

Uma caixa de 1 polegada x 1 polegada é impressa como uma caixa de 1 polegada x 1 polegada. Entretanto, somente um quarto da folha de desenho é impresso porque é aplicado zoom ao desenho para que a caixa fique na escala 1:1.

Escala da folha de desenho D-Paisagem 1:1
box4.gif
Escala personalizada para impressão A-Paisagem 1:1
box44.gif
Resultado impresso
box333.gif

Uma caixa de 1 polegada x 1 polegada é impressa como uma caixa de 1 polegada x 1 polegada porque as escalas da folha de desenho são as mesmas. Entretanto, apenas um oitavo da folha de desenho é impresso porque uma folha A-Paisagem é um oitavo do tamanho de uma folha D-Paisagem.