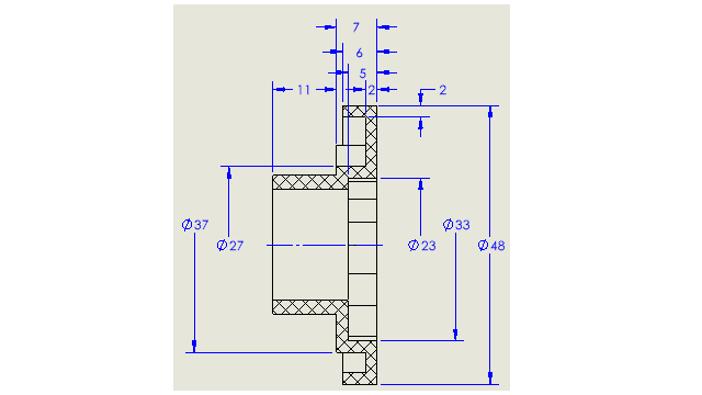
Dimensões simétricas de diâmetro linear Você pode criar dimensões simétricas de diâmetro linear para dimensões de diâmetro que precisam apenas de um lado de uma linha de chamada exibida. Isso é útil para desenhos com componentes ativados e vistas de seção detalhadas. Conteúdo Criar dimensões simétricas de diâmetro linear A dimensão simétrica de diâmetro linear está disponível para qualquer vista de desenho, mas é mais adequada para vistas de desenhos que precisam de apenas um lado de uma linha de chamada. Tópico paiDimensões em desenhos