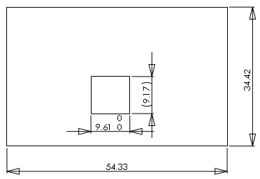
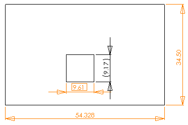
Измененные размеры подсвечиваются при открытии чертежа, если со времени последнего сохранения чертежа они изменялись.
 |
До изменения |
 |
После изменения |
При включенной подсветке на чертежах выделяются следующие изменения:
- Изменения модели, в результате которых изменились базовые числовые значения
- Импортированные размеры, в которых для модели изменились тип или значение допуска
- Импортированные размеры, в которых изменились параметры Добавить скобки или Размер для осмотра
- Импортированные размеры, в которых изменился Текст размера (<DIM> по умолчанию)
При наведении курсора на измененный размер во всплывающей подсказке отображается предшествующий размер.

|
Измененные размеры
|

|
Измененный допуск
|