Al abrir un dibujo, las cotas que han cambiado desde el último guardado aparecen resaltadas.
 |
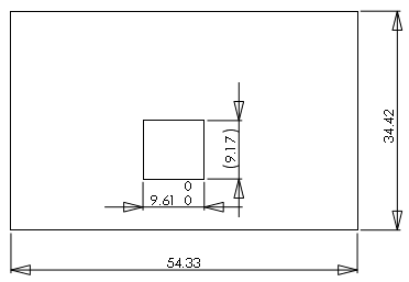
Antes de los cambios |
 |
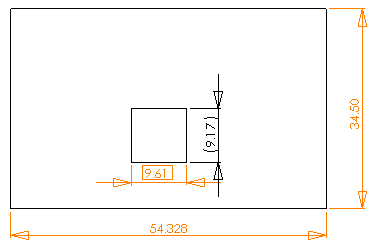
Después de los cambios |
Si la función de resaltado está activada, en los dibujos se resaltan las siguientes modificaciones:
- Cambios en el modelo que provocan el cambio de los valores de números base
- Cotas importadas en las que ha cambiado el tipo o el valor de tolerancia en el modelo
- Cotas importadas en las que se produce un cambio en Agregar paréntesis o Cota de inspección
- Cotas importadas en las que se produce un cambio en el Texto de cota (<DIM> de forma predeterminada)
Si sitúa el cursor sobre una cota modificada, la información sobre herramientas muestra la cota anterior.

|
Cotas modificadas
|

|
Tolerancia modificada
|