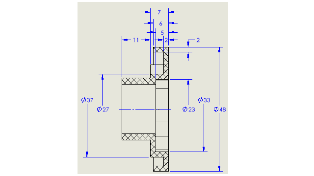
Cotas de diámetro lineal simétrico

Puede crear cotas de diámetro lineal simétricas para cotas de diámetro que solo necesitan un lado de visualización de líneas indicativas. Esto resulta útil para dibujos con componentes torneados y vistas de sección detalladas.